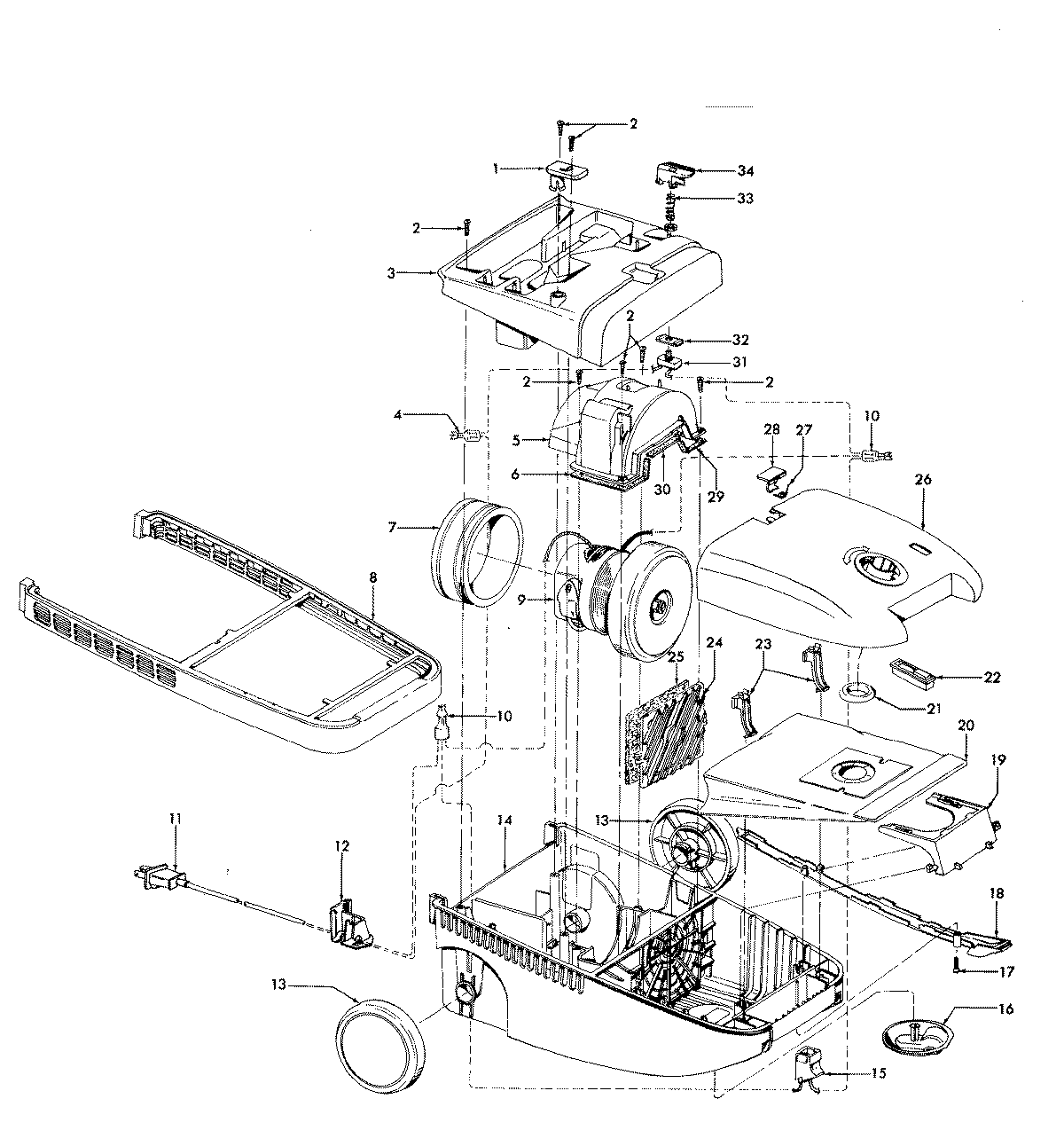
S3535— 03 – MAINHOUSINGadmin2025-04-26T08:52:23+00:00S3535— 03 – MAINHOUSING ProductsPositionProduct1MAY 394420342MAY 214472173MAY 414261183MAY 414260933MAY 414260513MAY 414260964MAY 012227--5MAY 413120406MAY 346330037MAY 363220318MAY 362350699MAY 435761189MAY 435780719MAY 435761269MAY 4357618410MAY 018972--11MAY 4638328912MAY 3621503313MAY 3852206514MAY 4221508414MAY 4221500315MAY 4632605915MAY 4632608216MAY 4143204017MAY 2143428818MAY 3621802018MAY 3621802119MAY 3642401020MAY 4010064S21MAY 3642401222MAY 5115101023MAY 3615102724MAY 3794400525MAY 3876500926MAY 4221710926MAY 4221711026MAY 4221714926MAY 4221717326MAY 4221713927MAY 3835100928MAY 3615304029MAY 3463300230MAY 3412304031MAY 2821202631MAY 2821804832MAY 3413501433MAY 3831402233MAY 3831402634MAY 5651334434MAY 3842216234MAY 3842216434MAY 5821601334MAY 5821101234MAY 5821101135MAY 4341406435MAY 4843823035MAY 4843823535MAY 4343310735MAY 4345305235MAY 4341405735MAY 3861701735MAY 43414073