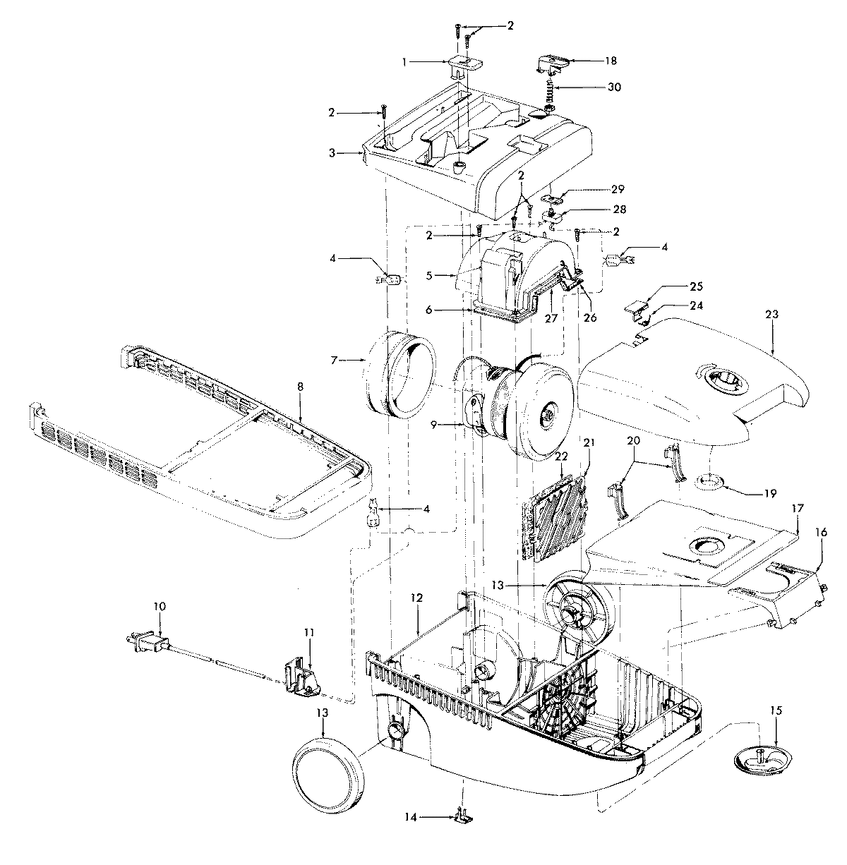
S3547— 03 – MAINHOUSINGadmin2025-04-26T08:52:20+00:00S3547— 03 – MAINHOUSING ProductsPositionProduct1MAY 394420342MAY 214472173MAY 414260983MAY 414261003MAY 414261153MAY 414260763MAY 414261193MAY 414261164MAY 012227--4MAY 276185085MAY 413120406MAY 346330037MAY 363220318MAY 362350699MAY 435761269MAY 435761849MAY 435761149MAY 4357618610MAY 4638328911MAY 3621503311MAY 3621503412MAY 4221505112MAY 4221505213MAY 3852206514MAY 3725813614MAY 3725813414MAY 3725813015MAY 4143204016MAY 3642401017MAY 4010064S18MAY 3842216418MAY 3842216219MAY 3642401220MAY 3615102721MAY 3794400522MAY 3876500923MAY 4221717223MAY 4221213523MAY 4221713623MAY 4221713823MAY 4221713223MAY 4221715523MAY 4221715624MAY 3835100925MAY 3615304425MAY 3615304125MAY 3615304025MAY 3615305426MAY 3463300227MAY 3412304028MAY 2821804828MAY 2821202629MAY 3413501430MAY 3831402230MAY 3831402630MAY 5651333230MAY 5651333930MAY 5651334830MAY 5821101130MAY 5821101230MAY 5836200430MAY 5836800732MAY 4341410132MAY 4343424232MAY 4341417232MAY 4343424132MAY 3861701732MAY 3863801P32MAY 0M11416932MAY 4341406432MAY 4341405732MAY 4343426033MAY 4341417033MAY 43453027