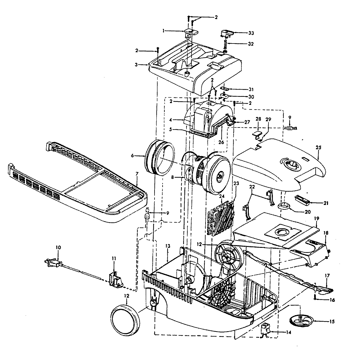
S3553— 03 – MAINHOUSINGadmin2025-04-26T08:52:09+00:00S3553— 03 – MAINHOUSING ProductsPositionProduct1MAY 394420342MAY 214472173MAY 414260983MAY 414261163MAY 414260533MAY 414261284MAY 413120405MAY 346330036MAY 363220317MAY 362350698MAY 435761148MAY 435761158MAY 435761268MAY 435761868MAY 435761189MAY 018972--10MAY 4638328911MAY 3621503312MAY 3852206513MAY 4221508413MAY 4221500314MAY 4632605914MAY 4632608215MAY 4143204016MAY 2144722317MAY 3621802117MAY 3621802018MAY 3642401019MAY 4010064S20MAY 3642401221MAY 5115101022MAY 3615102723MAY 3794400524MAY 3876500925MAY 4221706525MAY 4221710825MAY 4221714525MAY 4221715125MAY 4221716425MAY 4221715725MAY 4221716225MAY 4221716325MAY 4221716526MAY 3412304027MAY 3463300228MAY 3615304128MAY 3615304428MAY 3615304028MAY 3615305829MAY 3835100930MAY 2821202630MAY 2821804831MAY 3413501432MAY 3831402632MAY 3831402233MAY 3842216233MAY 3842216434MAY 4843825734MAY 4843807134MAY 3863801P34MAY 4843823034MAY 3617100834MAY 4843826134MAY 3617258434MAY 4343310734MAY 4341405734MAY 4341406434MAY 4345309834MAY 4345305234MAY 4843823534MAY 38617017996MAY 58211012996MAY 58211011996MAY 56513344996MAY 58216013996MAY 56513330