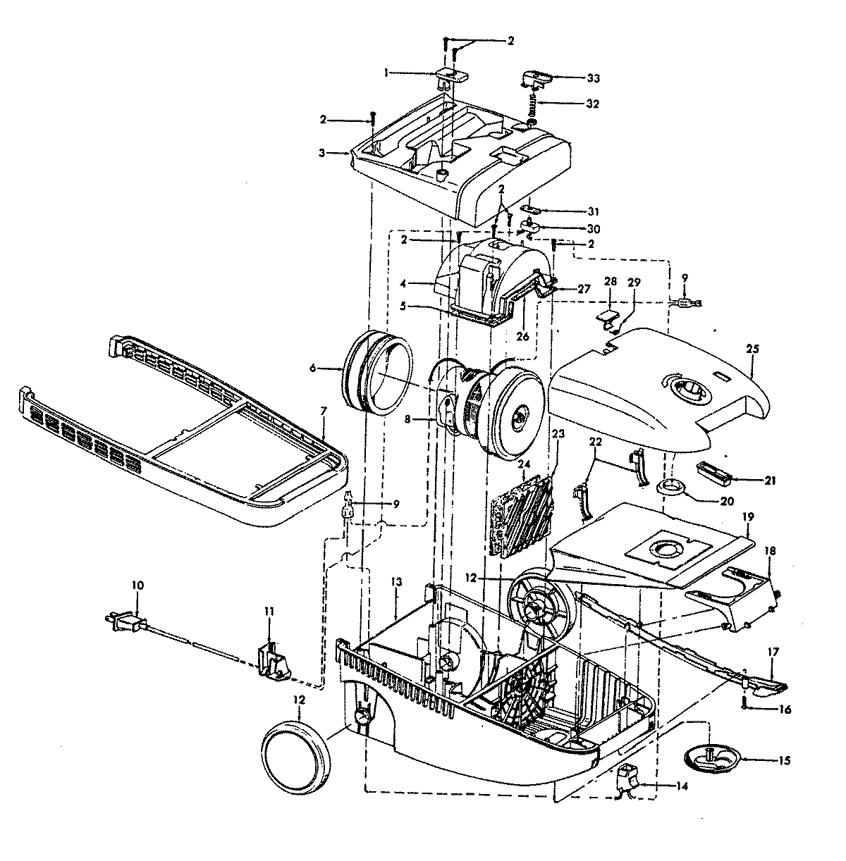
S3563— 03 – MAINHOUSING