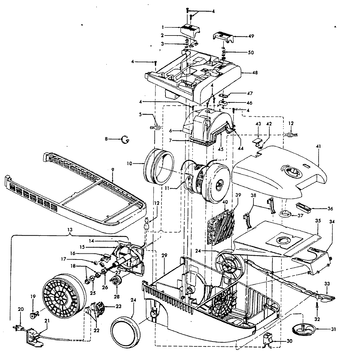
S3573016 02 – MAINHOUSINGadmin2025-04-26T08:52:00+00:00S3573016 02 – MAINHOUSING ProductsPositionProduct1MAY 384221552MAY 384580343MAY 383140244MAY 214472175MAY 012227--6MAY 413120407MAY 346330038MAY 274793079MAY 3623506910MAY 3632203111MAY 4357613312MAY 018972--13MAY 4191101220MAY 4638328821MAY 3621801824MAY 3852206529MAY 4221508430MAY 4632608231MAY 4143204032MAY 2143428833MAY 3621802034MAY 3642401035MAY 4010064S36MAY 5115101237MAY 3642401238MAY 3615102739MAY 3794400540MAY 3876500941MAY 4221709342MAY 3835100943MAY 3615305244MAY 3463300245MAY 3412304046MAY 2821804847NOT REQUIRED PART OR SEE NOTE FUSE (NOT REQUIRED)48MAY 4142612249MAY 3842218450MAY 3831402651MAY 5821101251MAY 5821101151MAY 5651333651MAY 58216013