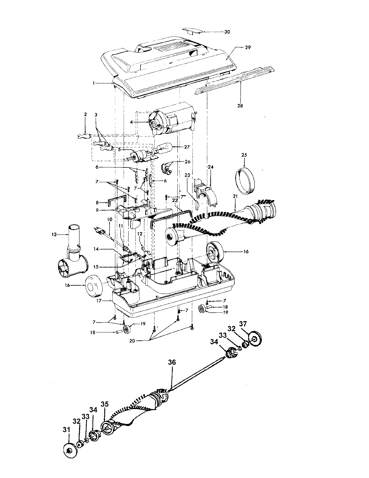
S3601050 05 – POWEREDNOZZLE, AGITATORadmin2025-04-26T08:52:14+00:00S3601050 05 – POWEREDNOZZLE, AGITATOR ProductsPositionProduct1MAY 422523451MAY 422523441MAY 422523461MAY 484382661MAY 484382651MAY 484380901MAY 484380542MAY 018972--3MAY 012227--4MAY 431770625MAY 471710206MAY 362180167MAY 214470038MAY 342530189MAY 4225609910MAY 4632100910MAY 4652102111MAY 163768--12MAY 3527600813MAY 3938310113MAY 3724116813MAY 4348210614MAY 3411200715MAY 3412201416MAY 4324404317MAY 4224611517MAY 4224611418MAY 3152200419MAY 3276100120MAY 2147980121MAY 4841408122MAY 3412303923MAY 13261AY-24MAY 3692300825MAY 3852801126MAY 2747930727MAY 2731730728MAY 3938310529MAY 5212513529MAY 5212514129MAY 5212514930MAY 3938500730MAY 4811101031MAY 3642301632MAY 4326700233MAY 2134700334MAY 3642202235NOT REQUIRED PART OR SEE NOTE FUSE (NOT REQUIRED)36MAY 3272401337MAY 36423017