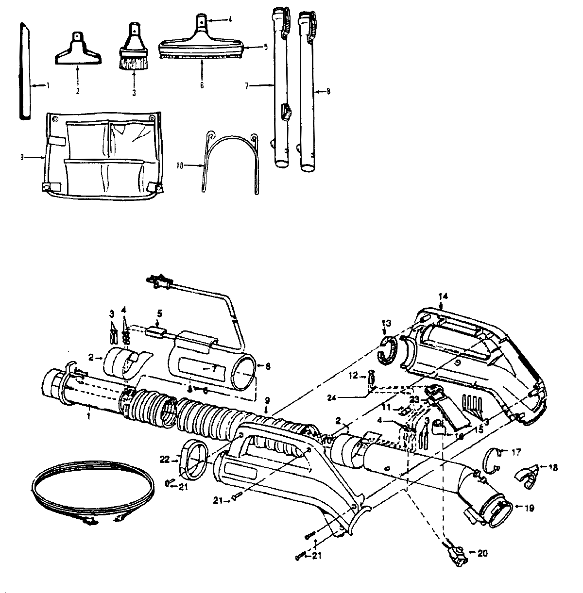
S5607— 01 – HOSE, CLEANINGTOOLSadmin2025-04-26T08:52:37+00:00S5607— 01 – HOSE, CLEANINGTOOLS ProductsPositionProduct1MAY 434540033MAY 317120064MAY 276130025MAY 463210176MAY 211241057MAY 518690378MAY 386380549MAY 4343115910MAY 3946100711MAY 4717300312MAY 012227--13MAY 3411300814MAY 4866316114MAY 3946100815MAY 4755102016NOT REQUIRED PART OR SEE NOTE FUSE (NOT REQUIRED)17MAY 2747930718MAY 3615302919MAY 3864603420MAY 4632503820MAY 4632502921MAY 2144712422MAY 3613108723MAY 2816105124MAY 3861701725MAY 3861402426MAY 4341406427MAY 3864402028MAY 4341407329MAY 4844700130MAY 4345302331MAY 4345305232MAY 5856800133MAY 3617200834MAY 4636800235MAY 56513299