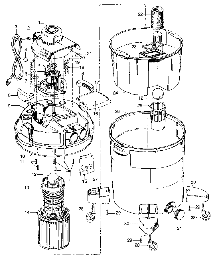
S6631018 02 – MOTOR ASSEMBLY, TANKadmin2025-04-26T08:52:52+00:00S6631018 02 – MOTOR ASSEMBLY, TANK ProductsPositionProduct1MAY 372320172MAY 274821453MAY 465810024MAY 274793075MAY 1105586-6MAY 012227--7MAY 435730118MAY 361530519MAY 4223202010MAY 3412304611MAY 2144707212MAY 2566101513MAY 3642602614MAY 4361100715MAY 3723800516MAY 5168903617NOT REQUIRED PART OR SEE NOTE FUSE (NOT REQUIRED)18MAY 2818100119MAY 3412700420MAY 2136410721MAY 3842100422MAY 3876500823MAY 3878300224MAY 4364102225MAY 3871902626MAY 3877703927MAY 3643204628MAY 2373711229MAY 2144721530MAY 3643204231MAY 3791100832MAY 5828601232MAY 5651401534MAY 3861402934MAY 3951200634MAY 3861500834MAY 3861702434MAY 3863407734MAY 4341414534MAY 43434034996MAY 21447240996MAY 21447218