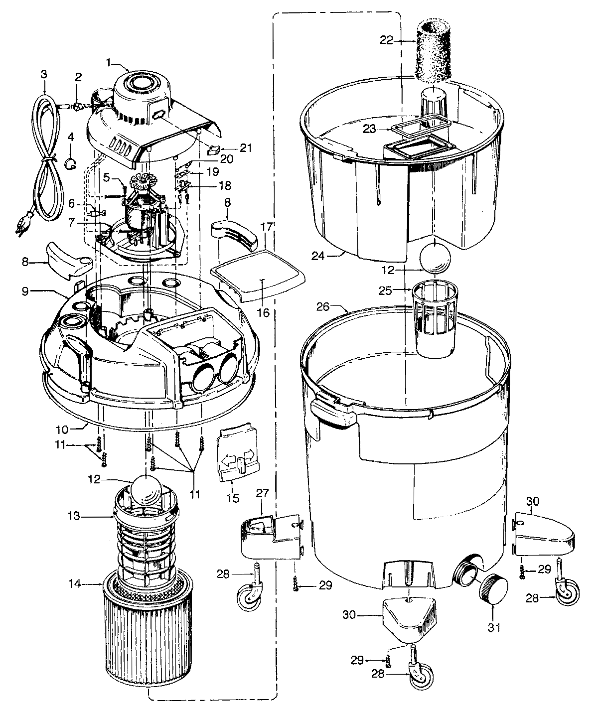
S6640600 02 – MAINHOUSING, MOTOR ASSEMBLYadmin2025-04-26T08:53:11+00:00S6640600 02 – MAINHOUSING, MOTOR ASSEMBLY ProductsPositionProduct1MAY 372320151MAY 372320172MAY 274821453MAY 465430063MAY 465430174MAY 274793075MAY 214472406MAY 012227--7MAY 435730227MAY 435730177MAY 435730158MAY 361530578MAY 361530519MAY 422320329MAY 422320209MAY 4223202510MAY 3878103510MAY 3412304611MAY 2144707212MAY 2566101513MAY 3642602614MAY 4361100915MAY 3723800615MAY 3723800516MAY 5213507916MAY 5166907216MAY 5168903617NOT REQUIRED PART OR SEE NOTE FUSE (NOT REQUIRED)18MAY 2817702819MAY 3412700420MAY 2136410721MAY 3842100421MAY 3842100622MAY 4361104023MAY 3878300224MAY 4364102225MAY 3871902626MAY 3877701026MAY 3877705426MAY 3877701326MAY 3877705326MAY 3877701426MAY 3877704626MAY 3877702226MAY 3877704527MAY 3643204628MAY 2373711229MAY 2144721530MAY 3643204231MAY 3791100831MAY 3791101032MAY 5828601032MAY 5651401932MAY 5651401232MAY 5651400332MAY 5828601332MAY 5828601233MAY 3863407833MAY 3861702433MAY 4341414533MAY 4341414233MAY 3861500833MAY 3861402933MAY 3951200633MAY 4343403434MAY 3228300234MAY 4343400434MAY 3861402734MAY 3863803234MAY 38619016996MAY 21447218996MAY 27618508