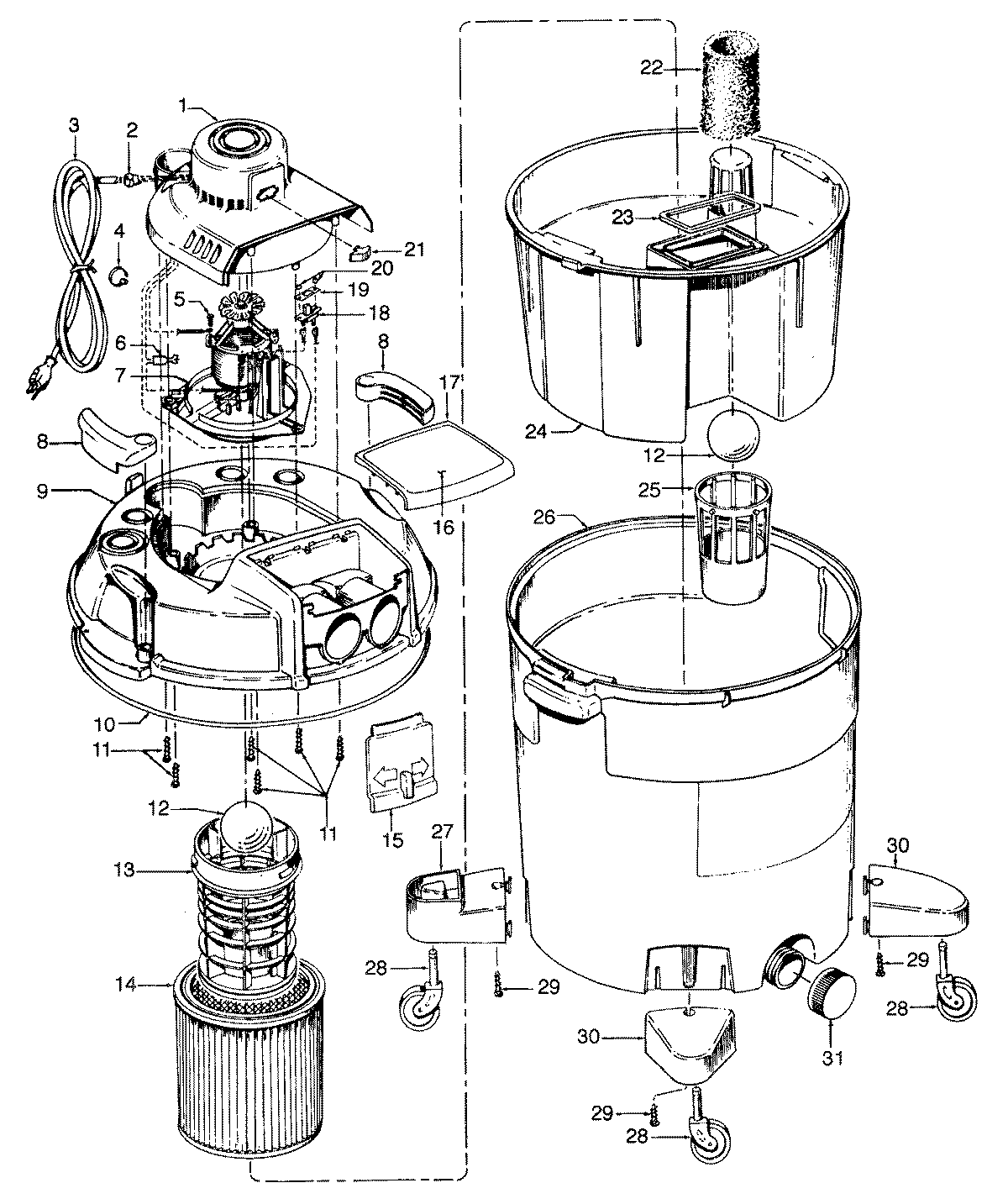
S6650— 02 – MAINHOUSING, MOTOR ASSEMBLY