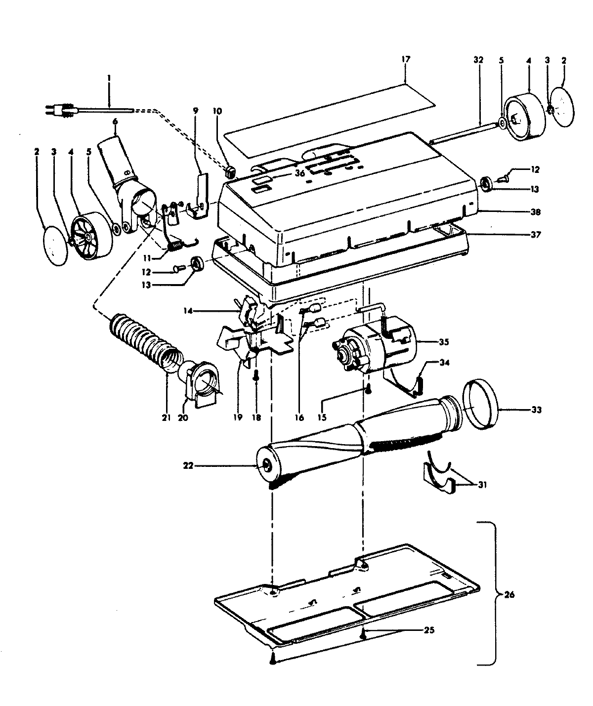
S7053— 03 – HANDLE, HOODadmin2025-04-26T08:53:28+00:00S7053— 03 – HANDLE, HOOD ProductsPositionProduct1MAY 463210802MAY 169242--3MAY 013730--4MAY 385220015MAY 311550056MAY 434680589MAY 3466401210MAY 2748212611MAY 3835500512MAY 2125602513MAY 3276100114MAY 2785400115MAY 2144700716MAY 4696917MAY 5212503618MAY 2142940419MAY 3794301820MAY 3863801321MAY 4343119622MAY 4841600525MAY 2144700326MAY 4224600731MAY 4354800132MAY 3254300233MAY 3852801134MAY 3428400135MAY 4317707336MAY 3938201337MAY 3623501738MAY 4224104138MAY 48438172