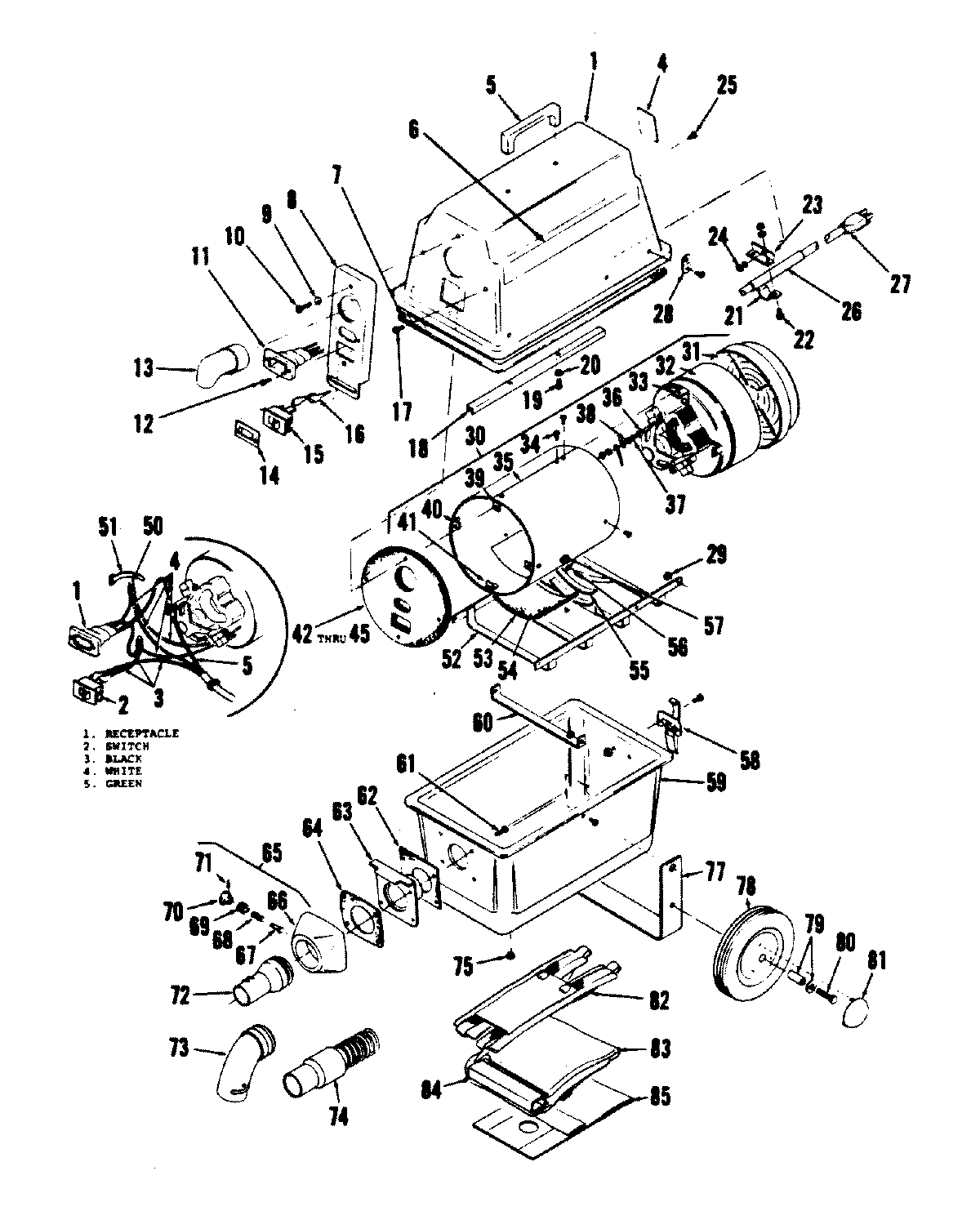
S7083— 03 – MOTOR ASSEMBLY, MAINBODYadmin2025-04-26T08:53:21+00:00S7083— 03 – MOTOR ASSEMBLY, MAINBODY ProductsPositionProduct1MAY 591311664MAY 591312345MAY 591311676MAY 591311687MAY 591311698MAY 5913117011MAY 5913117112MAY 5913117213MAY 5913117314MAY 5913117415MAY 5913117516MAY 5913117618MAY 5913117721MAY 5913117823MAY 5913117926MAY 5913118027MAY 4658314828MAY 5913118230MAY 5913118331MAY 5913118432MAY 5913104833MAY 5913118635MAY 5913118738NOT REQUIRED PART OR SEE NOTE FUSE (NOT REQUIRED)39MAY 5913118840MAY 5913118941MAY 5913119042MAY 5913119143MAY 5913119244MAY 5913119345MAY 5913119450MAY 5913136651MAY 5913119652MAY 5913119753MAY 5913119854MAY 5913119955MAY 5913102056MAY 5913122257MAY 5913102258MAY 5913102359MAY 5913102460MAY 5913102562MAY 5913102663MAY 5913102764MAY 5913102865MAY 5913102966MAY 5913103067MAY 5913103168MAY 5913103269MAY 5913103370MAY 5913103471MAY 5913103572MAY 5913103673MAY 5913103774MAY 5913103875MAY 5913103976MAY 5913111777MAY 5913104078MAY 5913104179MAY 5913104281MAY 5913104382MAY 5913104483MAY 5913104584MAY 5913104685MAY 59131118