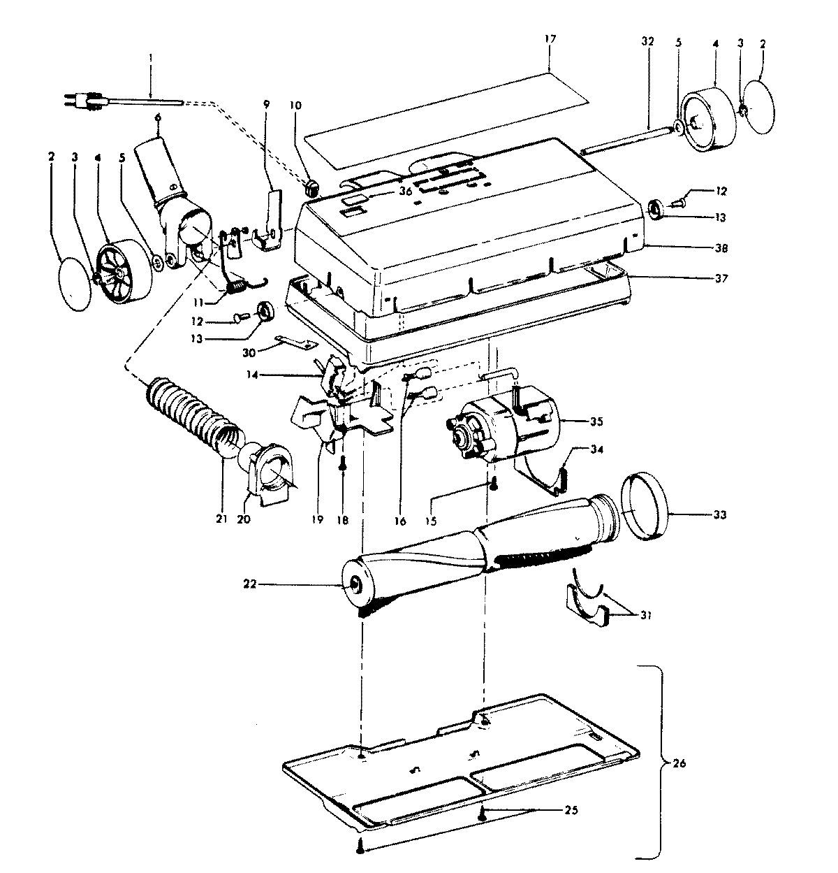
S7085— 02 – HANDLE, HOODadmin2025-04-26T08:53:02+00:00S7085— 02 – HANDLE, HOOD ProductsPositionProduct1MAY 591311382MAY 169242--3MAY 013730--4MAY 385220015MAY 311550056MAY 434330659MAY 3466401210MAY 2748213011MAY 3835500512MAY 2125602513MAY 3276100114MAY 5913114715MAY 2144700716MAY 048969--17MAY 5913114618MAY 2142940419MAY 3794301820MAY 3863801321MAY 4343119622MAY 4841600525MAY 2144700326MAY 5913114030MAY 3541200331MAY 3791300131MAY 3878100232MAY 3254300233MAY 3852801134MAY 3428400135MAY 4317707336MAY 3938201337MAY 3623501738MAY 59131158