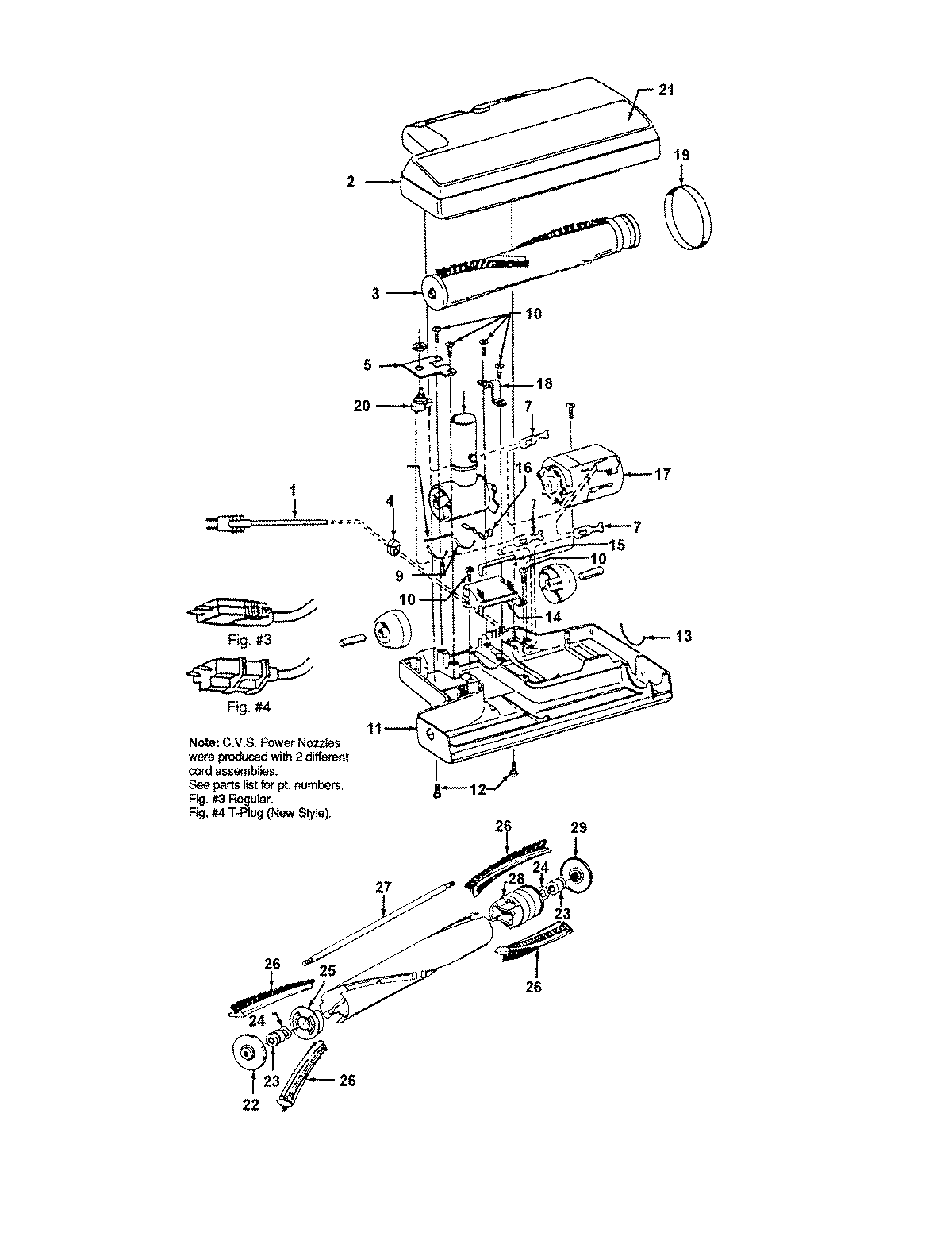
S8119 02 – POWEREDNOZZLEadmin2025-04-26T08:52:59+00:00S8119 02 – POWEREDNOZZLE ProductsPositionProduct1MAY 463210051MAY 463210092MAY 4225211062MAY 462521743MAY 484160094MAY 163768--5MAY 346630036MAY 434820246MAY 434821096MAY 434820297MAY 036120--8MAY 341120059MAY 3433700310MAY 2144704111MAY 4224612012MAY 2144700713MAY 3433700414MAY 4225609015MAY 3412301516MAY 3527600117MAY 4317707318MAY 3527100119MAY 3852801120MAY 2821202621MAY 4843819021MAY 5212511521MAY 5212509721MAY 4843814322MAY 4841601122MAY 4841401822MAY 4143501823MAY 4326700224MAY 2134700325MAY 3642200126MAY 4844501727MAY 160070-28MAY 3853700229MAY 41435021