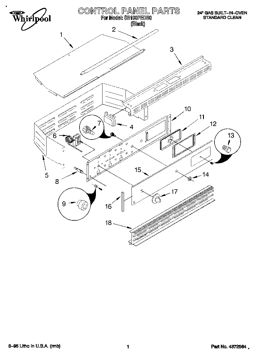
SB100PEDB0 01 – CONTROL PANELadmin2025-04-26T11:20:18+00:00SB100PEDB0 01 – CONTROL PANEL
Products
| Position | Product |
|---|
| 1 | Cover, Control |
| 2 | Deflector, Heat (Black) |
| 3 | Trim, Top |
| 4 | Endcap (Right Hand) |
| 4 | Endcap (Left Hand) |
| 5 | Shield, Control |
| 6 | Thermostat |
| 7 | Switch, Oven Light |
| 8 | Light, Indicator |
| 9 | Bumper, Rubber (4) |
| 10 | Plate, Control Mtg |
| 11 | Clock |
| 12 | Bracket, Clock |
| 13 | Knob, Clock |
| 14 | Bezel, Switch |
| 15 | Panel, Control |
| 16 | Trim, Control Panel (2) (Black) |
| 17 | Knob, Thermostat |
| 18 | Trim, Center Vent |