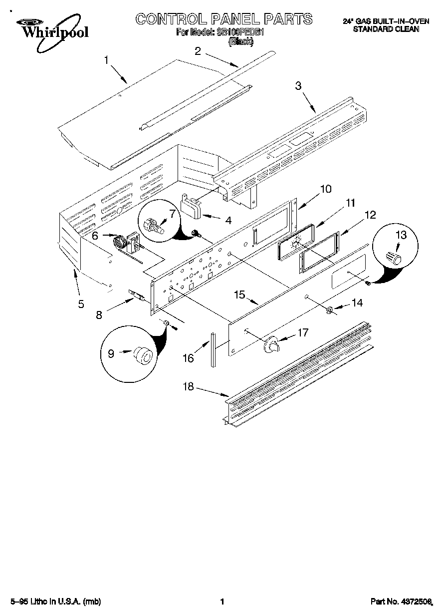
SB100PEDB1 01 – CONTROL PANEL