SB130PER4 01 – EXTERNAL OVENadmin2025-04-26T11:19:52+00:00SB130PER4 01 – EXTERNAL OVEN
Products
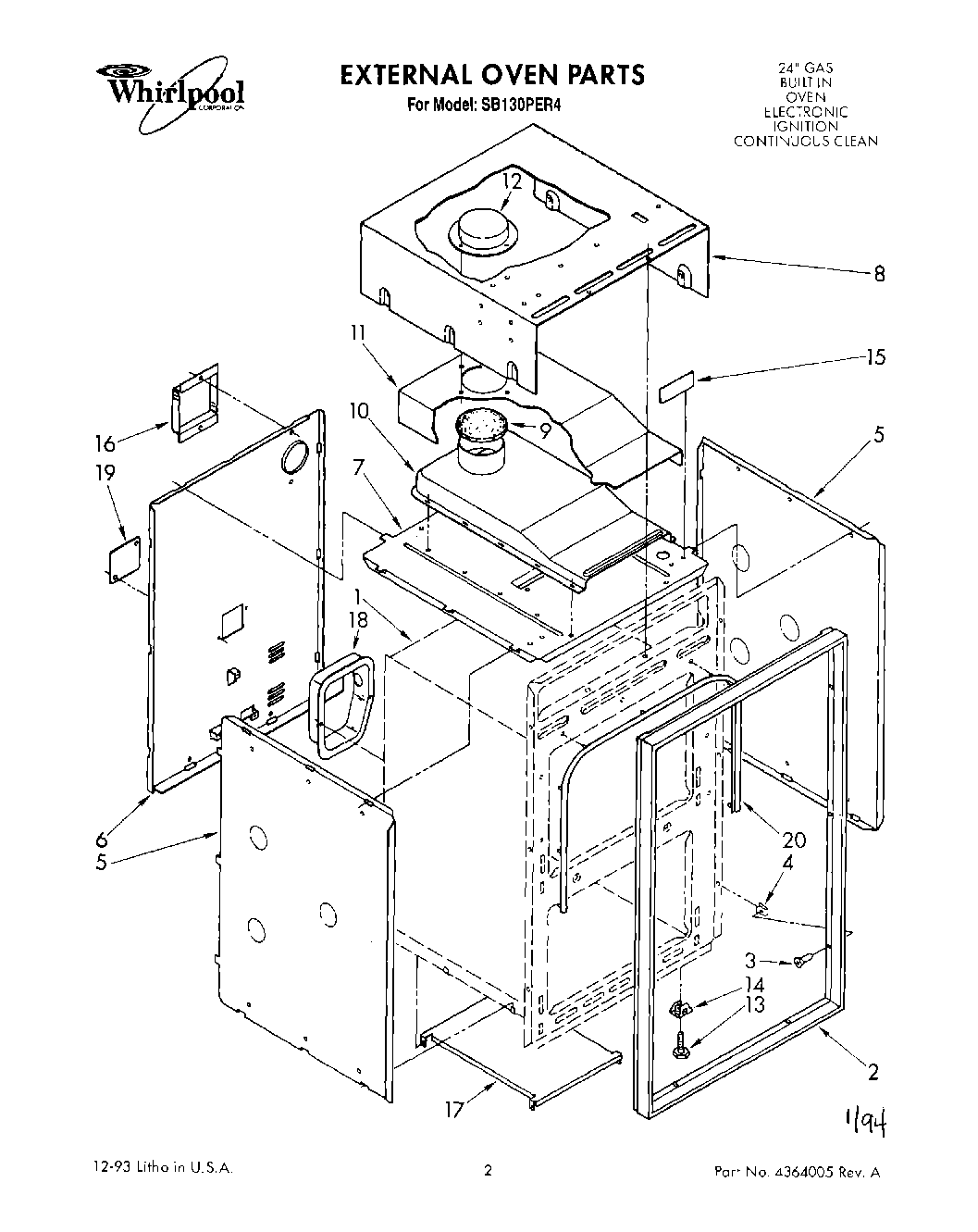
| Position | Product |
|---|
| 1 | Chassis (Not Serviceable) |
| 2 | Trim, Chassis |
| 3 | Screw (10) |
| 4 | WP98234 Whirlpool Nut |
| 5 | Panel, Side (2) |
| 6 | Panel, Rear |
| 7 | Retainer, Insulation |
| 8 | Screw, 6-18 X 3/8 (6) |
| 8 | Panel, Top |
| 9 | Cover, Flue |
| 10 | Screw, 6-20 X 1/4 (1) |
| 10 | Flueway |
| 11 | Cover, Flueway |
| 12 | Cap, Flue |
| 13 | Leg, Leveling (4) |
| 14 | Nut (4) |
| 15 | Shield, Wire (2) |
| 16 | Cover, Light |
| 16 | WP308685 Whirlpool Microwave Screw |
| 17 | Shield, Heat |
| 18 | Cover, Orfice |
| 19 | Plate, Cover |
| 20 | Gasket, Oven Door |