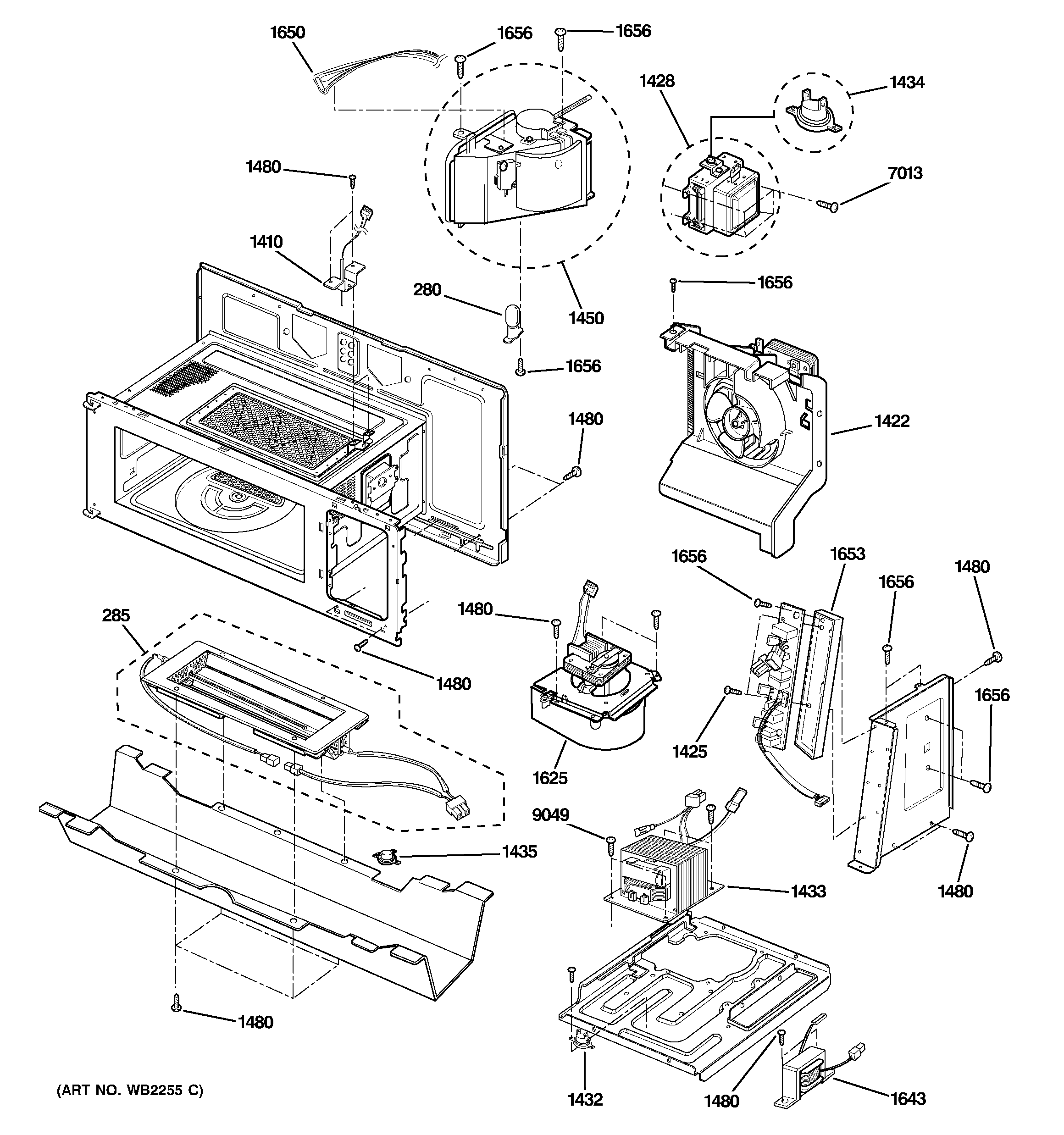
SCA2001FSS01 INTERIOR PARTS (1)admin2025-04-26T10:03:20+00:00SCA2001FSS01 INTERIOR PARTS (1) ProductsPositionProduct280WB36X10131 GE Microwave Oven Cavity Lamp 30W 125V285BTM HALOGEN LAMP ASM1410GEN WB27X103261422MAGNETRON FAN ASM1425SCREW TAPPING,PAN HEAD1428MAGNETRON ASM1432GEN WB21X100451433GEN WB27X103311434TCO, MAG1435WB21X10149 GE Oven Thermostat1450DAMPER DOOR ASM1480WB1X1514 GE Oven Screw1625LOWER BLOWER1643TRANSFORMER,POWER1650FUSE THERMAL1653GEN WB27X103341656WB1X1515 GE Oven Screw7013WB02X10745 GE Binding Head Screw9049GEN WB01X1506