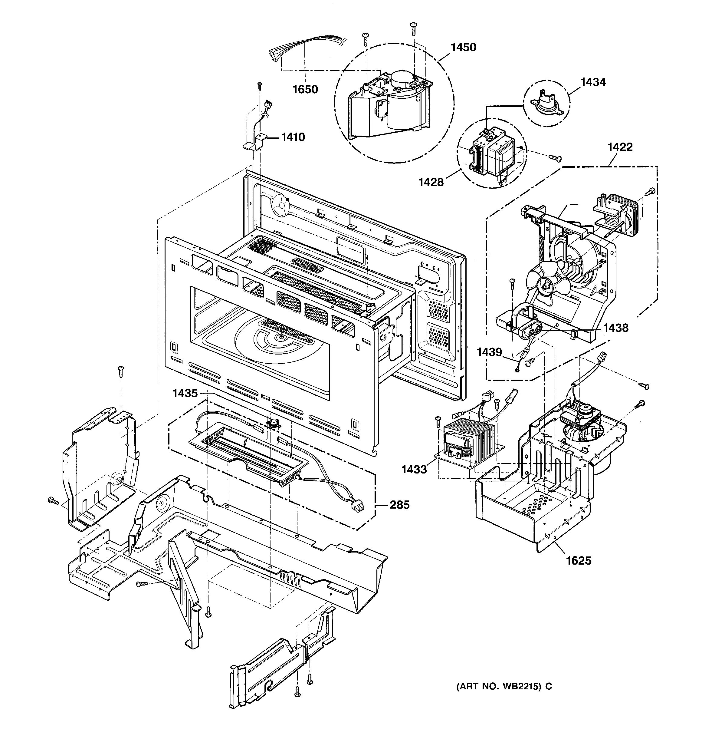
SCBC2000CBB01 INTERIOR PARTS (1)
Products
| Position | Product |
|---|---|
| 285 | GEN WB36X10158 |
| 1410 | GEN WB27X10386 |
| 1422 | GEN WB26X10074 |
| 1428 | MAGNETRON ASM |
| 1433 | GEN WB27X10393 |
| 1434 | TCO, MAG |
| 1435 | WB21X10149 GE Oven Thermostat |
| 1438 | CAPACITOR, H. V. |
| 1439 | DIODE-CABLE |
| 1450 | DAMPER DOOR ASM |
| 1625 | GEN WB27X10390 |
| 1650 | FUSE THERMAL |