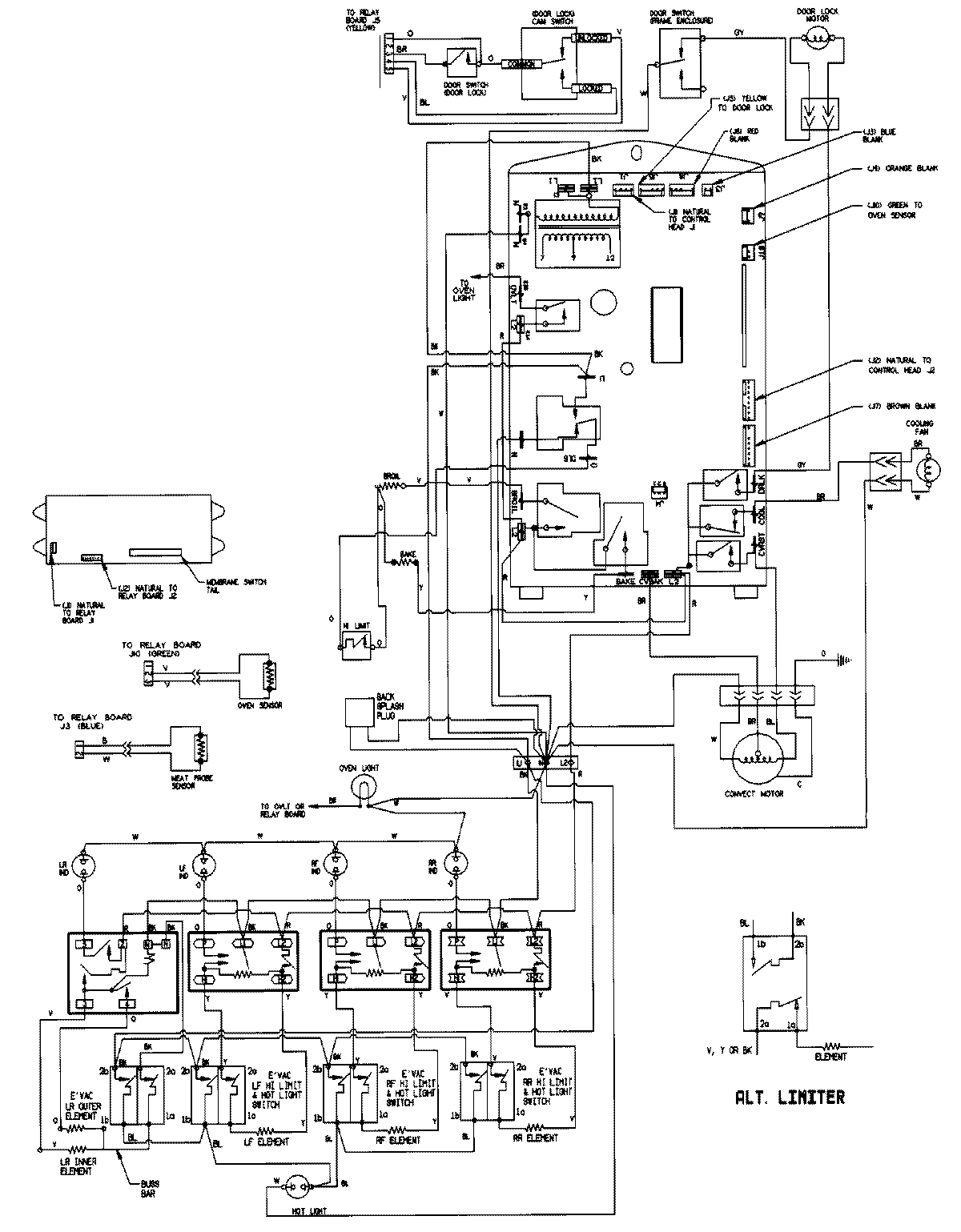
SCE30600BC 07 – WIRING INFORMATIONadmin2025-04-26T09:32:44+00:00SCE30600BC 07 – WIRING INFORMATION ProductsPositionProductNIMAY 15001884