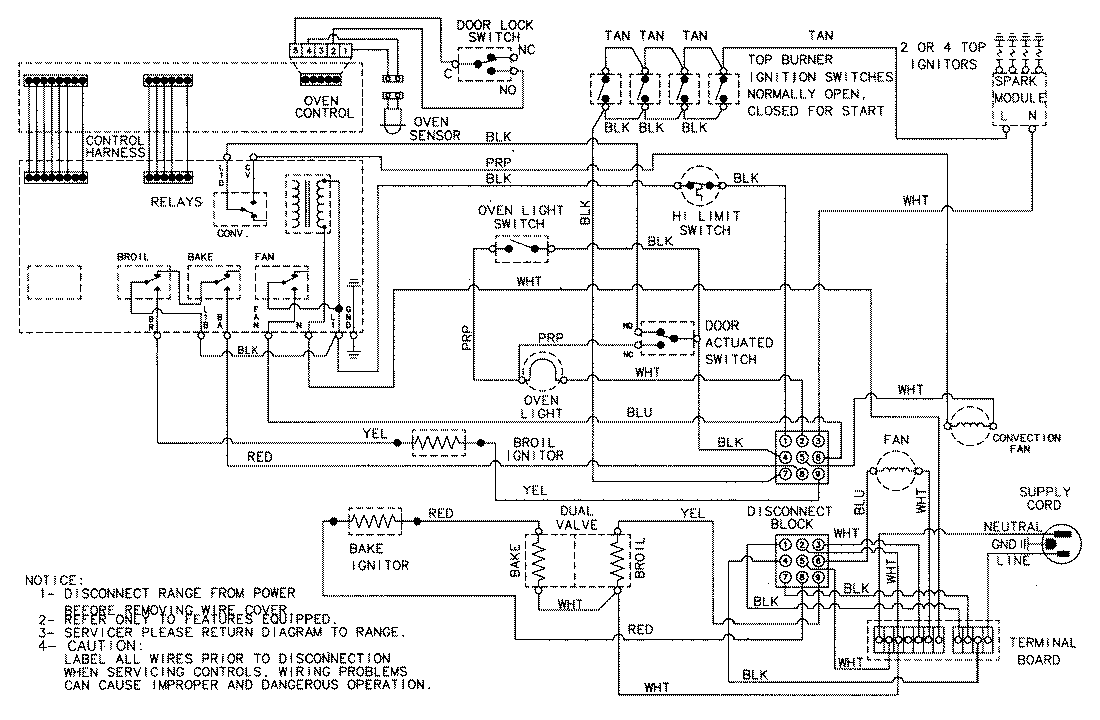
SCG20200A 06 – WIRING INFORMATIONadmin2025-04-26T09:32:35+00:00SCG20200A 06 – WIRING INFORMATION ProductsPositionProductNIMAY 15002228