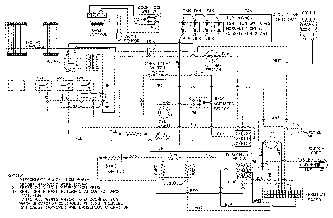
SCG20200B 06 – WIRING INFORMATIONadmin2025-04-26T09:32:46+00:00SCG20200B 06 – WIRING INFORMATION ProductsPositionProductNIMAY 15002228