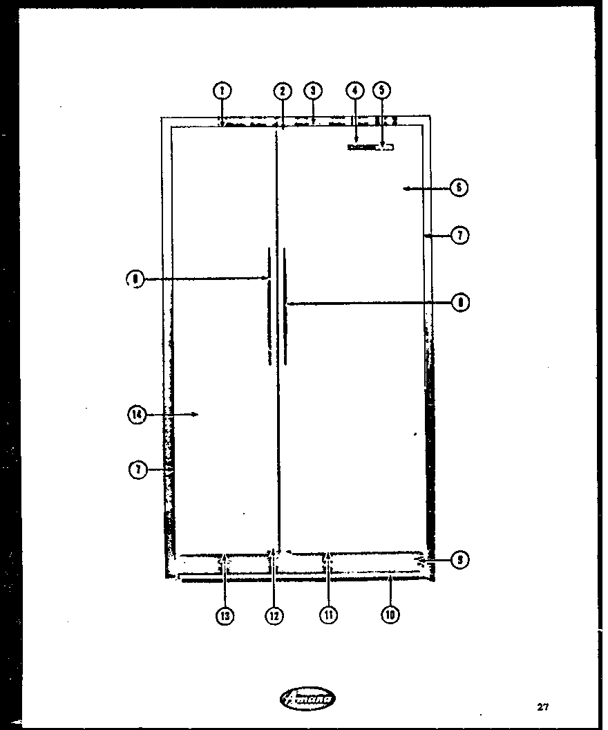
SD-22 01 – Page 1admin2025-04-26T09:36:23+00:00SD-22 01 – Page 1 ProductsPositionProductNIMAY M0248131NIMAY C3589002NIMAY M0212015NIMAY M0214028NIMAY A3083501NIMAY A3061902NIMAY M0246159NIMAY A3061903NIMAY A3061901NIMAY C35929011MAY D39621022MAY C35927013MAY D39621014MAY C35780025MAY C35776016MAY D39576126MAY D39576566MAY D39576027MAY B05990018MAY D39344019MAY D395210110MAY C358880111MAY D396210312MAY C359270213MAY D396210414MAY D395765714MAY D395761114MAY D3957603