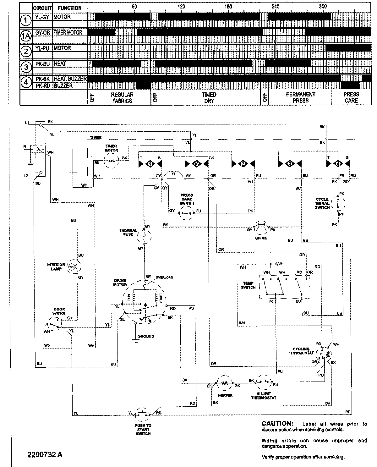
SDE3606AYQ 08 – WIRING INFORMATIONadmin2025-04-26T09:38:31+00:00SDE3606AYQ 08 – WIRING INFORMATION ProductsPositionProductNIMAY 15003298