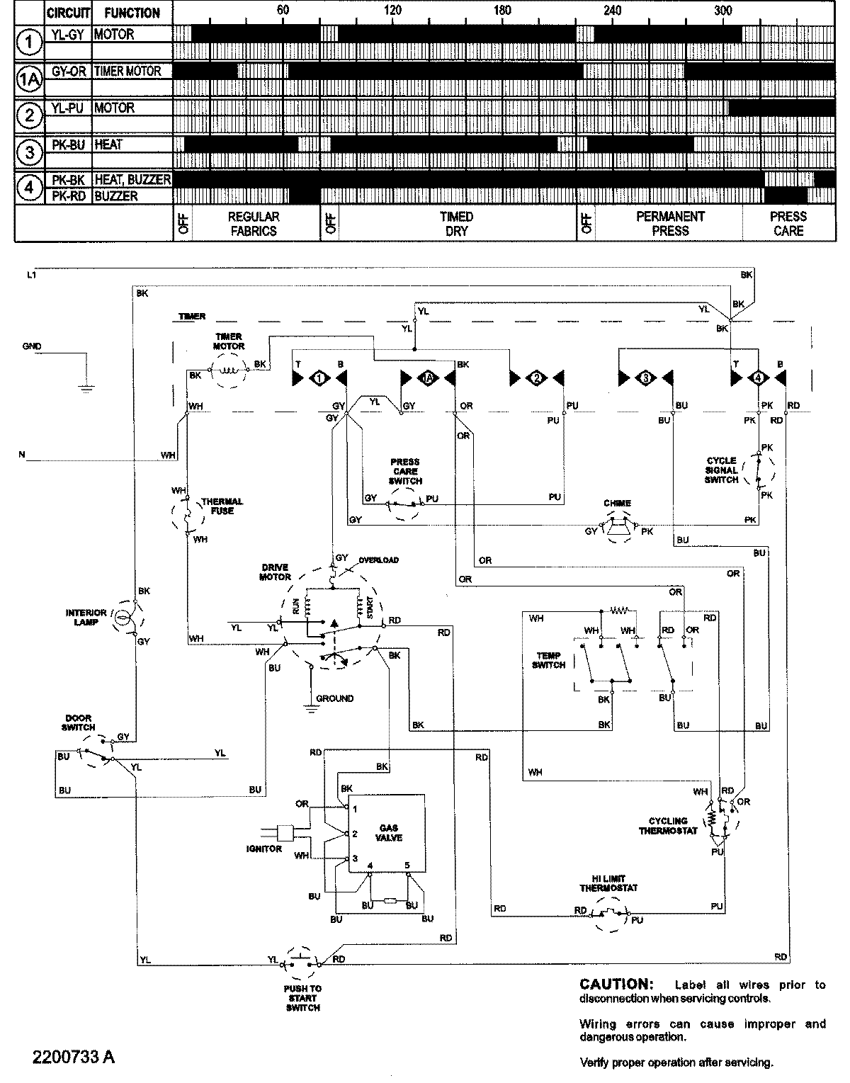
SDG3606AWW 10 – WIRING INFORMATION

SDG3606AWW 10 – WIRING INFORMATION

Products

PositionProduct
NIMAY 15003482