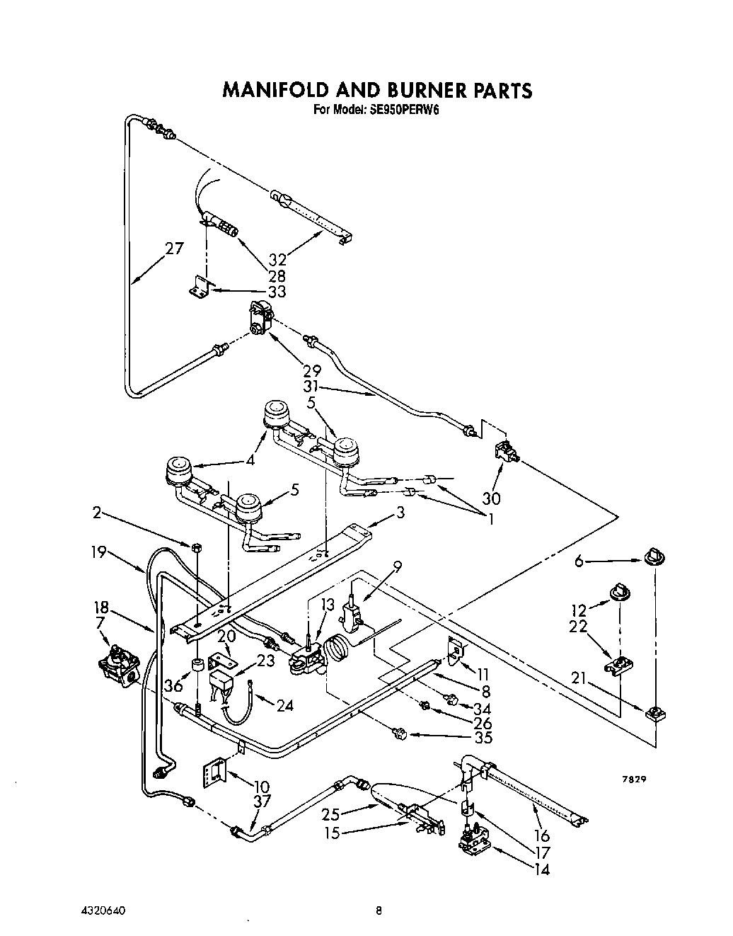
SE950PERW6 06 – MANIFOLD AND BURNERadmin2025-04-26T12:57:19+00:00SE950PERW6 06 – MANIFOLD AND BURNER
Products
| Position | Product |
|---|
| 1 | Shutter, Air (4) |
| 2 | Nut, Hex |
| 3 | Support, Burner |
| 4 | Burner, Rear (2) |
| 5 | Screw, 10-12 X 3/8 (2) |
| 5 | Burner, Front (2) |
| 6 | WP4179282 Whirlpool Knob |
| 7 | Regulator, Pressure |
| 8 | Manifold |
| 9 | Valve, 180~ (4) (Includes Ill. No. 46) |
| 10 | Support, Manifold (L.H.) |
| 11 | Support, Manifold (R.H.) |
| 11 | WP308685 Whirlpool Microwave Screw |
| 12 | WPY07506601 Whirlpool Thermal Knob |
| 13 | Thermostat (Includes Ill. No. 34) |
| 14 | Valve, Safety |
| 14 | WP3387230 Whirlpool Screw |
| 15 | Pilot |
| 16 | Burner, Oven |
| 17 | Shutter, Burner |
| 18 | Tubing 3/8`` (Thermostat To Safety Valve) |
| 19 | Tubing 3/16`` (Thermostat To Pilot) |
| 20 | Plate, Spark Module |
| 21 | WP4157180 Whirlpool Surface Burner Ignition Switch |
| 22 | WP878009 Whirlpool Igniter Switch |
| 23 | Module, Spark |
| 24 | Ignitor (R.H.) |
| 24 | Ignitor (L.H.) |
| 25 | Ignitor, Oven |
| 26 | Screw & Gasket Assembly |
| 27 | Tubing 3/8`` (Solenoid Valve To Burner) |
| 28 | Ignitor, Upper Oven |
| 29 | Valve |
| 30 | Filter, Pilot |
| 31 | Tubing 3/8`` (Shut Off Valve To Solenoid Valve) |
| 32 | Burner, Upper Oven |
| 33 | Bracket, Ignitor |
| 34 | Bolt, Thermostat Mounting (2) |
| 35 | Bolt, Valve Mounting |
| 36 | Spacer, Manifold |
| 37 | Tubing 3/16`` (Filter To Burner Pilot) |