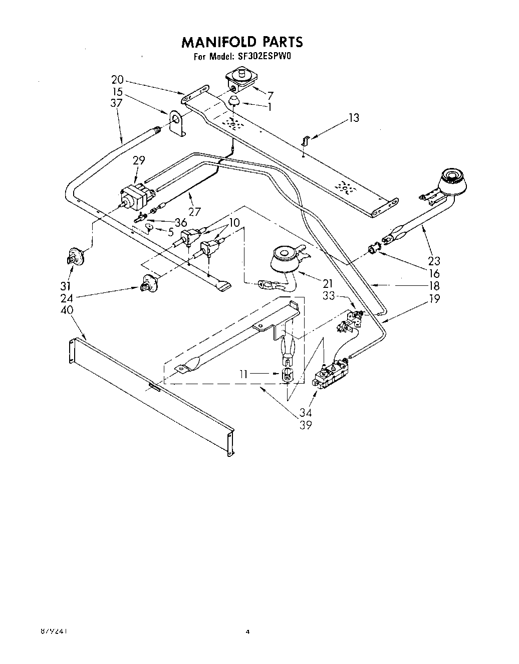
| 1 | Cone, Top Lighter (2) |
| 5 | Fitting, Flange |
| 7 | Regulator, Pressure |
| 10 | Valve, Top Burner (4) |
| 11 | Shutter, Oven Burner Air |
| 13 | Support, Burner Hanger |
| 15 | Support, Inlet Pipe |
| 16 | Cap, Top Burner Air Mixer |
| 18 | Tubing, Control/Pilot |
| 19 | Tubing, Oven |
| 20 | Hanger, Top Burner |
| 21 | Burner, Top Front (2) (Includes Illus. 16) |
| 23 | Burner, Top Rear (2) (Includes Illus. 16) |
| 24 | Handle, Top Valve (4) |
| 27 | Lighter, Top Burner |
| 29 | Control, Oven |
| 31 | Dial, Oven Control |
| 33 | Lighter, Oven Burner |
| 34 | Valve, Oven Lighter Safety |
| 36 | Filter, Top Lighter |
| 37 | Pipe, Manifold |
| 39 | Burner, Oven |
| 40 | Deflector, Heat |