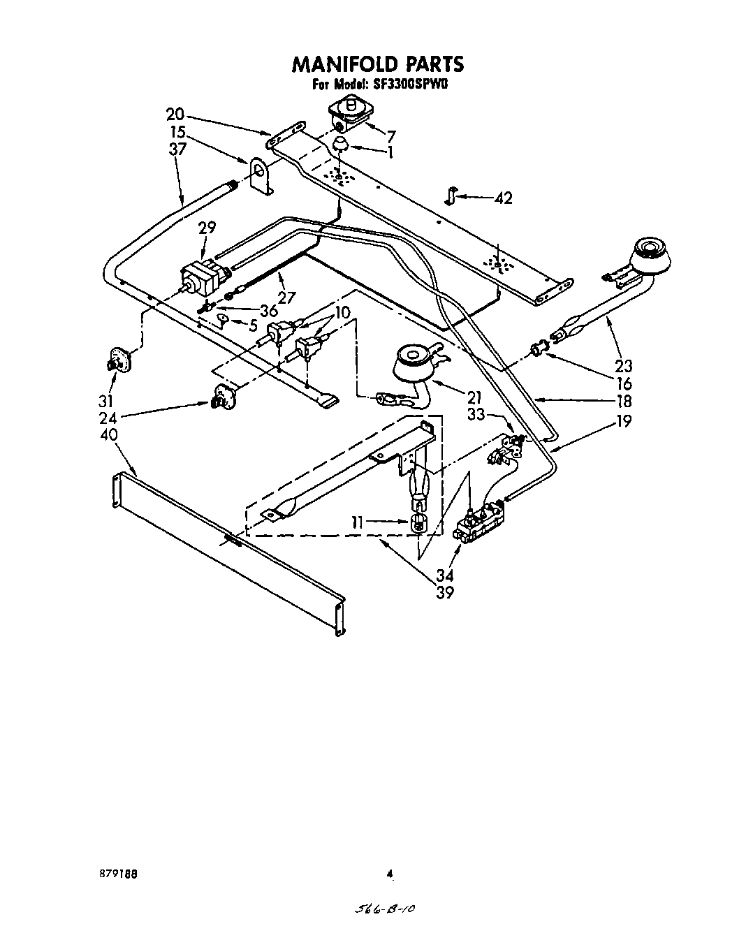
SF3300SPW0 03 – MANIFOLD