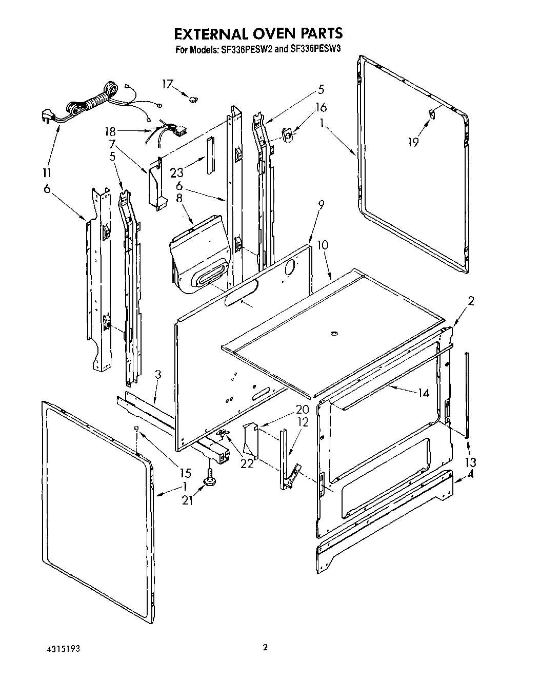
SF336PESW2 02 – EXTERNAL OVENadmin2025-04-26T12:56:25+00:00SF336PESW2 02 – EXTERNAL OVEN
Products
| Position | Product |
|---|
| 1 | Panel, Side (2) (White) |
| 1 | Panel, Side (2) (Almond) |
| 2 | Frame, Front |
| 3 | Rail, Base (2) |
| 4 | Base, Front |
| 4 | Screw, 10-12 X 1/2 (4) |
| 5 | Support, Main (2) |
| 5 | Screw, 10-32 X 1/2 (1) |
| 6 | Support, Rear (2) |
| 7 | Cover, Wire |
| 7 | Screw, 10-12 X 3/8 (2) |
| 8 | Flue, Box |
| 8 | SCREW |
| 9 | Panel, Rear |
| 10 | Burner Box |
| 10 | WP308685 Whirlpool Microwave Screw |
| 11 | WP9757891 Whirlpool Power Cord |
| 12 | Hinge. Door (2) |
| 12 | Screw, 10-24 X 3/8 (2) |
| 13 | Seal, Door (2) (Side) |
| 14 | Seal, Door (Top) |
| 15 | Bumper, Cooktop (2) |
| 16 | Bracket, Receptable |
| 17 | Strain Relief |
| 18 | Block, Disconnect |
| 19 | Clip, Wire |
| 20 | Shield, Insulation |
| 21 | Leg, Leveler (4) |
| 22 | Nut (4) |
| 23 | Safe Edge |