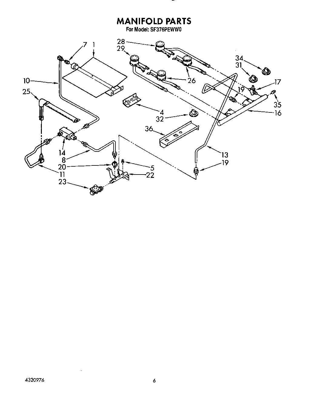
| 1 | Burner, Broiler |
| 1 | Nut, 6-32 (6) |
| 4 | Support, Burner Mounting |
| 5 | W10295523 Whirlpool Plug |
| 7 | Natural Gas No. 51. |
| 7 | LP Gas No. 58 |
| 8 | Tubing, (Inlet To Gas Valve) |
| 10 | Orifice & Tubing Assembly (Gas Valve To Ultra Ray Burner) |
| 11 | hood & tubing assembly (gas valve to lower oven burner) |
| 11 | Nut, Lock |
| 13 | tubing (inlet to manifold) |
| 14 | Valve, Dual Gas Valve |
| 16 | Plate, Cover |
| 17 | Valve, Top Burner (Tri-Set) |
| 19 | Fitting |
| 20 | Valve, Shut-Off |
| 22 | Inlet, Gas |
| 23 | Regulator, Pressure |
| 25 | Oven Burner, Lower |
| 26 | Top Burner, Front (2) |
| 28 | Top Burner, R.R. |
| 29 | Top Burner, L.R. |
| 31 | Knob, Top Burner (4) (White) |
| 32 | Knob, Oven Control |
| 34 | Knob, Selector ((White Model)) |
| 35 | Pipe Plug, 3/8 NPT |
| 36 | shelf, gas valve |