SF5140SRW2 05 – BACKGUARDadmin2025-04-26T13:10:14+00:00SF5140SRW2 05 – BACKGUARD
Products
| Position | Product |
|---|
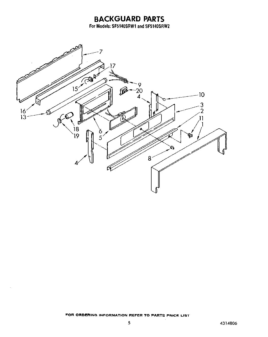
| 1 | Frame |
| 2 | Screw, 10-12 X 1/2 (4) |
| 2 | Bottom, Backguard |
| 3 | Glass |
| 4 | Support, Backguard (Left Hand) |
| 4 | Support, Backguard (Right Hand) |
| 4 | Screw, 10-32 X 1/2 (1) |
| 5 | Clock |
| 6 | Bracket, Clock |
| 7 | Panel, Rear |
| 7 | Screw, 10-12 X 3/8 (2) |
| 8 | Knob, Clock |
| 9 | Block, Disconnect |
| 10 | Bumper, Rubber (6) |
| 11 | Strain Relief |
| 13 | Lamp, Fluorescent |
| 15 | Socket, Light (2) |
| 16 | Bracket, Support |
| 17 | Spacer, Light (4) |
| 18 | Starter, Light |
| 19 | Base, Light |
| 20 | Ballast |