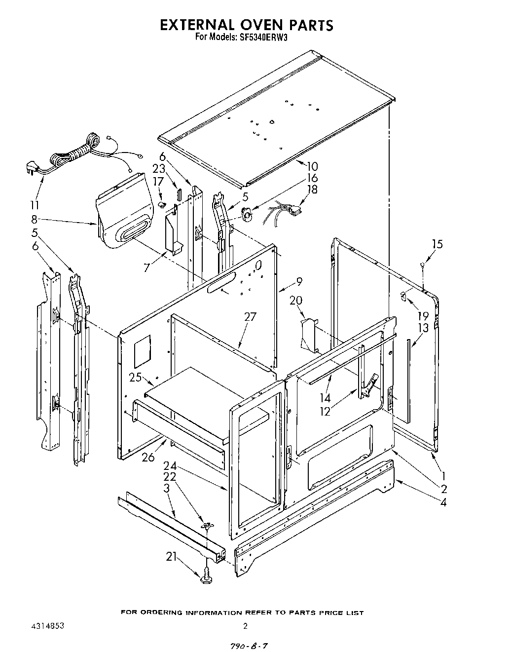
SF5340ERN3 02 – EXTERNAL OVEN