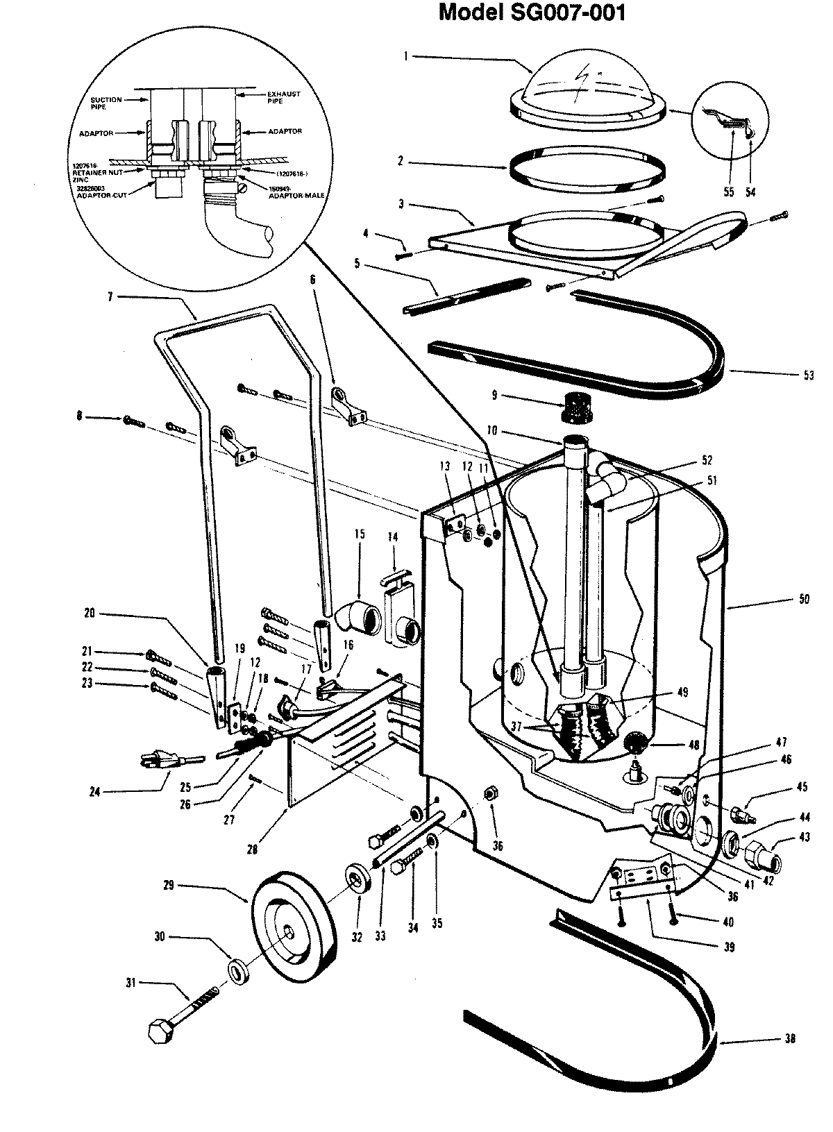
SG007001 02 – MAINASSEMBLYadmin2025-04-26T08:53:03+00:00SG007001 02 – MAINASSEMBLY ProductsPositionProduct1MAY 422710052MAY 387810093MAY 422720175MAY 362310897MAY 332530039MAY 4361101210MAY 4345702211MAY 1307683-12MAY 1307682-13MAY 3695100614MAY 4353600515MAY 1528027-16MAY 1524214-17MAY 2776400118MAY 1307684-19MAY 3414400820MAY 3695300821MAY 1105527-22MAY 1305001-23MAY 2177400424MAY 4658315725MAY 1122115-26MAY 2748230226MAY 2748213427MAY 1105542-28MAY 1223247-29MAY 3852200930MAY 1107635-31MAY 1105541-32MAY 3116601033MAY 1163231-34MAY 1105551-35MAY 1107605-36MAY 2185410337MAY 1538228-38MAY 3623103239MAY 3643102240MAY 1105536-41MAY 1511224-43MAY 4345701744MAY 1207616-45MAY 1308006-46MAY 1107604-47MAY 1309007-48MAY 4361101449MAY 1114083-50MAY 4227204251MAY 4345702552MAY 4347100453MAY 3623108854MAY 3623303055MAY 38784011