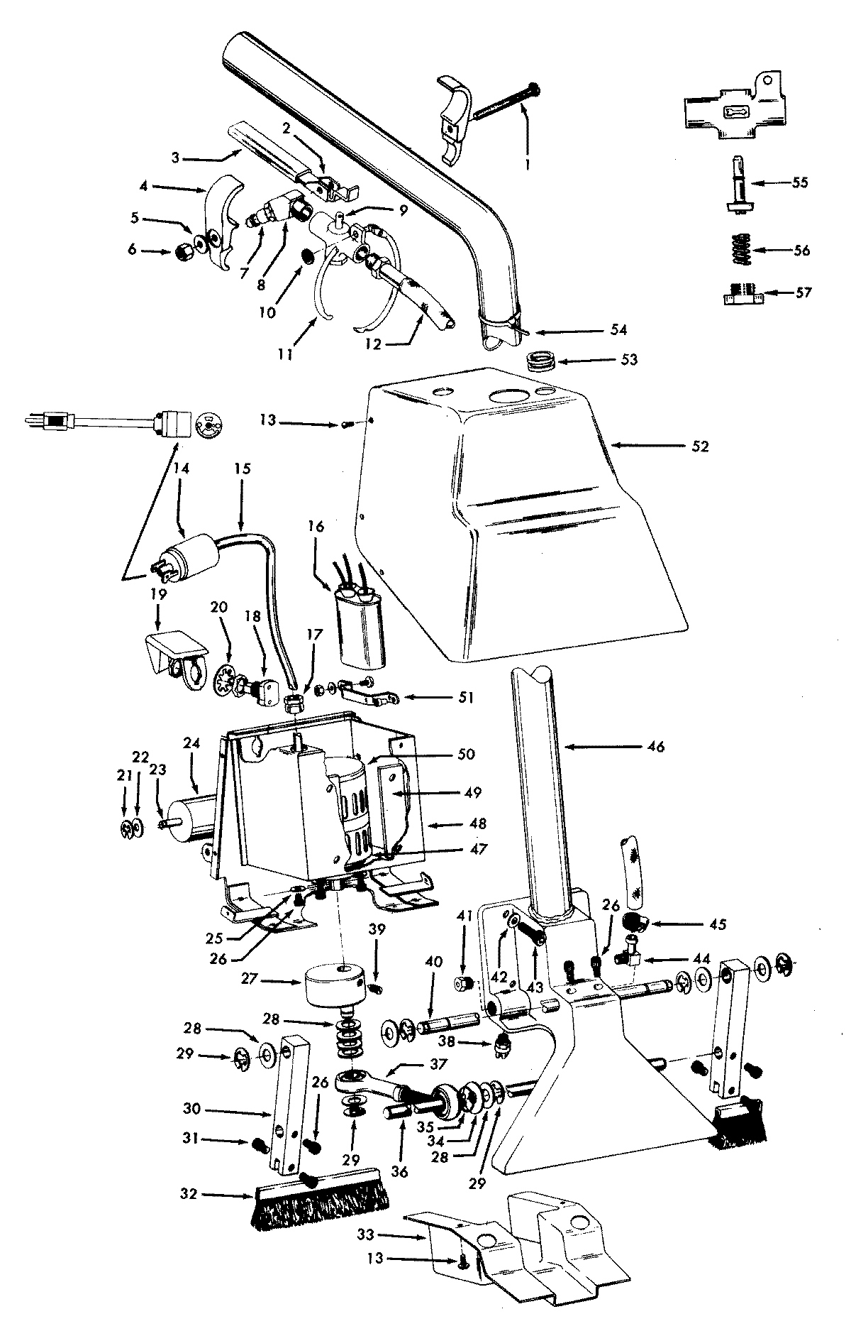
SG913— 01 – MAINASSEMBLYadmin2025-04-26T08:53:37+00:00SG913— 01 – MAINASSEMBLY ProductsPositionProduct1MAY 1105516-2MAY 384520913MAY 256964024MAY 387190115MAY 213127106MAY 1107602-7MAY 1318084-8MAY 1328085-9MAY 1349086-10MAY 2136200511MAY 1172326-12MAY 4344600313MAY 1105512-14MAY 1557455-15MAY 1000189-16MAY 2864203217MAY 2748230218MAY 2821202619MAY 3842400120MAY 1107720-21MAY 01330622MAY 1107662-23MAY 1163357-24MAY 1562356-25MAY 1107641-26MAY 1105548-27MAY 4326100428MAY 163110--29MAY 160017--30MAY 1000152-31MAY 1105529-32MAY 1558364-33MAY 3727404034MAY 1116371-35MAY 1055370-36MAY 1173367-37MAY 4326300938MAY 1351359-39MAY 1105539-40MAY 1173366-41MAY 1357759-42MAY 1107673-43MAY 1105549-44MAY 1309810-45MAY 2541104946MAY 4341407847MAY 1819472-48MAY 4298704349MAY 1203352-50MAY 4317401051MAY 3617104052MAY 3727102053MAY 1512360-54MAY 1539097-55MAY 3871902556MAY 3831303457MAY 38717003