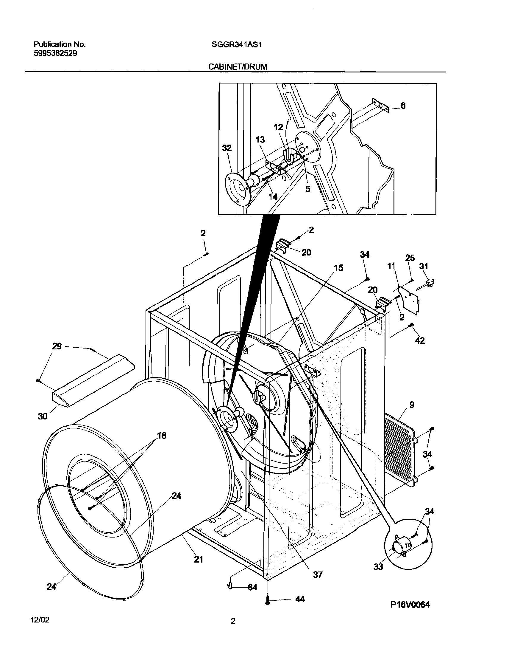
SGGR341AS1 03 – CABINET/DRUMadmin2025-04-26T10:22:28+00:00SGGR341AS1 03 – CABINET/DRUM ProductsPositionProductNIWCI 5303281153]NI5303307893 Frigidaire HI TEMP Rear Bearing Lubricant Kit55303281019 Frigidaire Ball Assembly65303281020 Frigidaire Ball Clip9WCI 13179320111WCI 13136320012131825900 Frigidaire Dryer Rear Drum Bearing Support Cup White13131724301 Frigidaire Dryer Drum Bearing Bracket14131205400 Frigidaire Screw15ASSY-HEATER18131168200 Frigidaire Dryer Screw20WCI 13146910021134122532 Frigidaire P-1 Assembly Drum Galv + O/S3 Xxx24137513300 Frigidaire Dryer Drum Glide255303015671 Frigidaire Bracket Termination Screw29131382300 Frigidaire Screw-VANE30137552900 Frigidaire Vane31CORD-ELECTRIC POWER32131777700 Frigidaire Dryer Bearing Drum335308015399 Frigidaire P-1 THERMSTAT-Safety34131243700 Frigidaire Screw37WCI 13195210042134154100 Frigidaire Screw 10-32 x 0.375 Co44216396900 Frigidaire Dryer Adjustable Leveling Foot Leg64CLIP