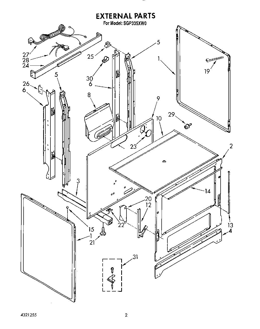
SGP335XW0 02 – EXTERNAL, LIT/OPTIONAL