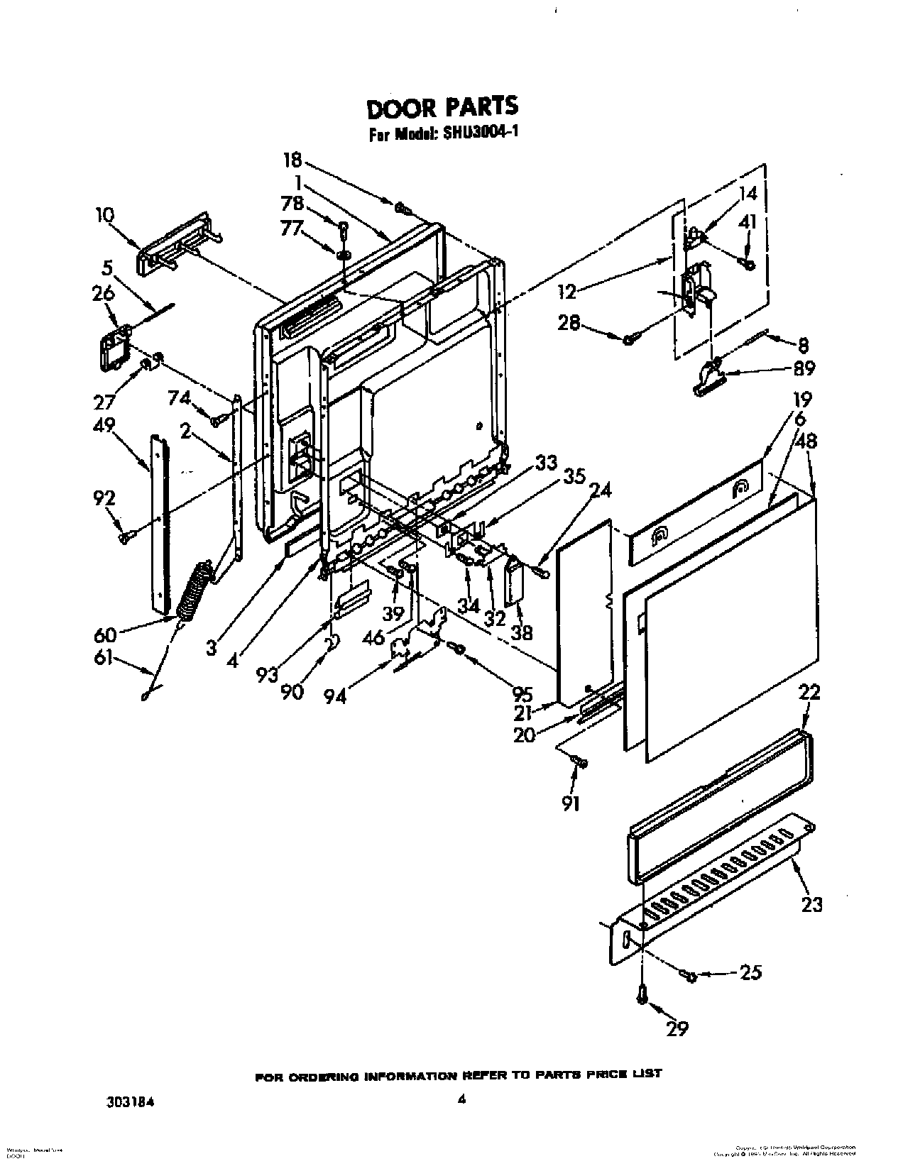
| 1 | Door, Inner (Includes Illus. 4) |
| 2 | Support Door (L.H.) |
| 2 | Support, Door (R.H.) |
| 3 | Gasket, Door |
| 4 | Liner, Door |
| 5 | 4387043 Whirlpool Door Latch Kit |
| 6 | Spacer, Panel |
| 8 | Pin, Pivot |
| 10 | Screen, Vent |
| 12 | Latch Assembly |
| 14 | Switch, Interlock (Alternate) |
| 14 | Switch, Interlock (Alternate) |
| 18 | WP488729 Whirlpool Refrigerator Door Screw |
| 19 | Barrier, Console |
| 20 | Edging, Panel |
| 21 | Barrier, Door |
| 22 | WP3367793 Whirlpool Black Access Panel |
| 23 | Plate, Toe |
| 25 | WP90767 Whirlpool Screw |
| 27 | WP8066018 Whirlpool Spring Assembly |
| 29 | WP302868 Whirlpool Screw |
| 32 | Lever, Catch |
| 33 | Seal, Lever |
| 35 | Retainer |
| 38 | Actuator |
| 39 | Screw, 8 x 1/2 (3) |
| 41 | Screw, 6-32 x 1 |
| 48 | xxPanel, Front |
| 49 | Trim, Door (2) |
| 60 | 675611 Whirlpool Spring Assembly |
| 61 | WP716401 Whirlpool Dishwasher Retainer |
| 74 | WP488627 Whirlpool Refrigerator Screw |
| 77 | Washer (2) |
| 89 | Lever, Release |
| 90 | Clip, Wire |
| 91 | W11693756 Whirlpool Screw Assembly |
| 92 | 302251 Whirlpool Dishwasher Screw |
| 93 | Retainer, Clip |
| 94 | Shield, Harness |