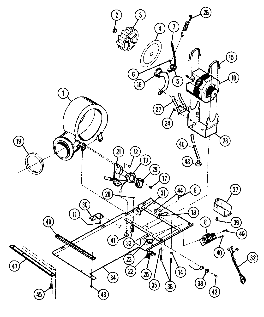
SL10AN-A01 04 – MOTOR-DRYERadmin2025-04-26T09:13:50+00:00SL10AN-A01 04 – MOTOR-DRYER ProductsPositionProduct1MAY 025001372MAY 025001383MAY Y025001394MAY 025001405MAY Y025001416MAY 025000937MAY 025000948MAY 025000959MAY Y0250004210MAY Y0250014312MAY Y0150015213MAY Y0250009814MAY 0250009915MAY 0250010016MAY 0250010117MAY Y0250005718MAY 0250010219MAY 0250010320MAY Y0150014221MAY 0250010422MAY 0250010523MAY 0250010625MAY 0250010826MAY 0250010927MAY 0250011028MAY 0250011129MAY Y0250011230MAY 0250011331MAY 0250011432MAY Y0250011533MAY 0250007834MAY 0250011635MAY 0250011737MAY 0250011938MAY 0250012039MAY Y0250012140MAY 0150014941MAY Y0250010742MAY Y0250012444MAY 0250012545MAY 0150005546MAY 0250012647MAY 0250012748MAY 0250012849MAY Y0250014849MAY 02500130