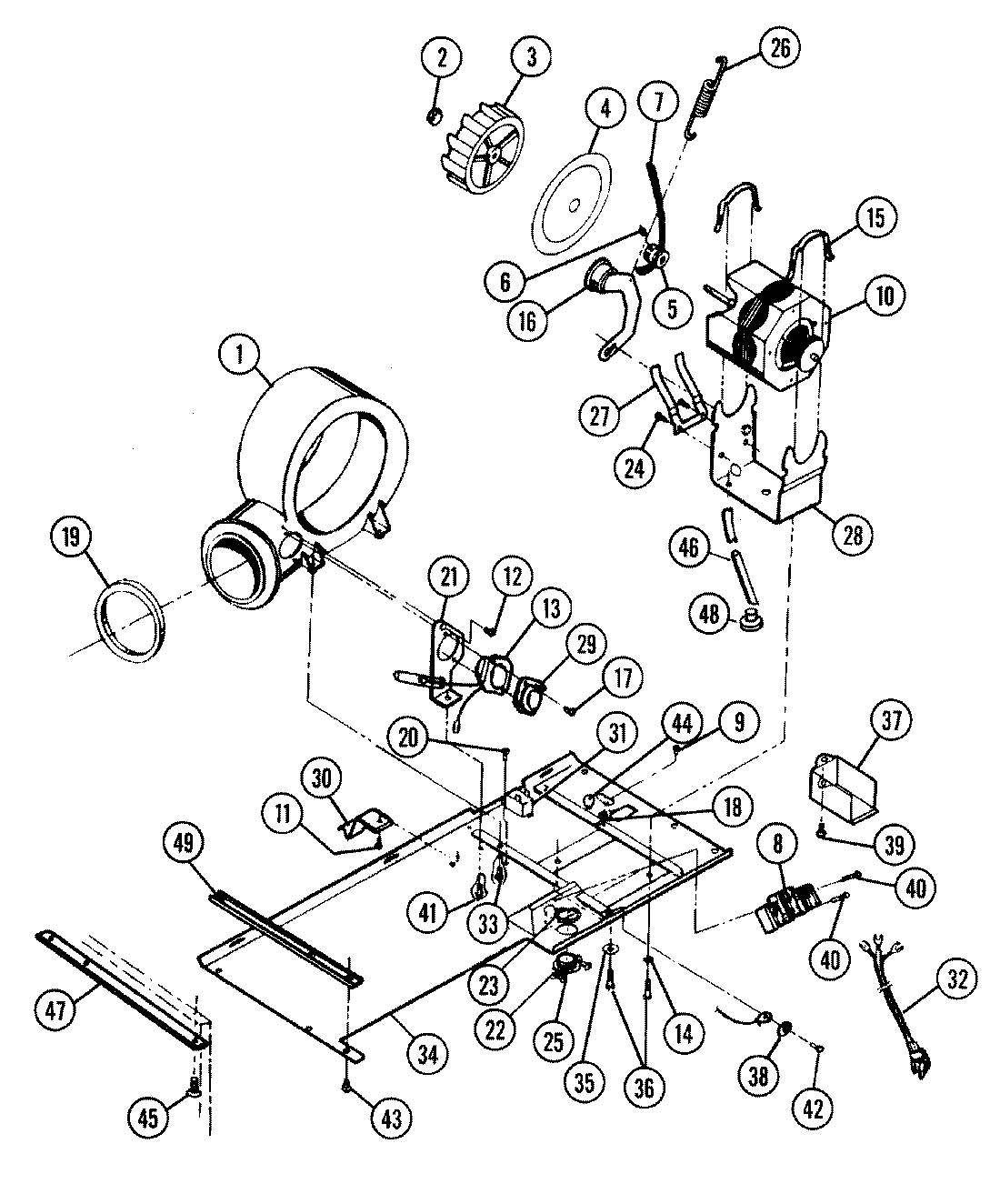
SL10AN-A02 04 – MOTOR-DRYERadmin2025-04-26T09:14:07+00:00SL10AN-A02 04 – MOTOR-DRYER ProductsPositionProduct1MAY 025001372MAY 025001763MAY Y025001394MAY 025001405MAY Y025001416MAY 025000937MAY 025000948MAY 025000959MAY Y0250004210MAY Y0250014312MAY Y0150015213MAY Y0250009814MAY 0250009915MAY 0250017816MAY 0250010117MAY Y0250005718MAY 0250010219MAY 0250017920MAY Y0150014221MAY 0250010422MAY 0250010523MAY 0250010624MAY Y0250010725MAY 0250010826MAY 0250010927MAY 0250011028MAY 0250011129MAY Y0250011231MAY 0250011432MAY Y0250018133MAY 0250007834MAY 0250011635MAY 0250011738MAY 0250012040MAY 0150014941MAY Y0250018042MAY Y0250012444MAY 0250012545MAY 0150005546MAY 0250018247MAY 0250012748MAY 0250012849MAY 02500130