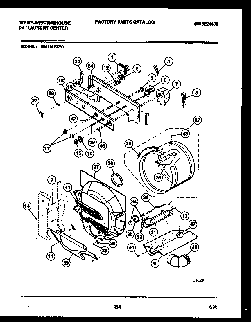
SM115PXW1 03 – CONSOLE, CONTROL AND DRUMadmin2025-04-26T10:24:25+00:00SM115PXW1 03 – CONSOLE, CONTROL AND DRUM ProductsPositionProduct*63656WCI 08008454*63656WCI 5303208455*636575303303590 Frigidaire Dryer 4.0" Cable Tie*63656Spacer,washer ,timer shaft1WCI 53032072172WCI 53032097654WCI 53032831055WCI F144068-0006WCI 53032830447WCI 53032830458WCI 530328304610WCI 320499911131205100 Frigidaire Screw12WCI 320500013WCI 0801128014WCI 530328546715WCI 320594717WCI 320594818WCI 530320721920WCI 320500621216858001 Frigidaire Refrigerator Screw22KNOB & DIAL ASSY24WCI 320500825WCI 530328641826BAFFLE-DRUM (3)27WCI 320501031WCI 530316108031AWCI 530316108132WCI 530800407633SNAP RING (4)34WCI 0801215235WCI 530800407736WCI 530320944537WCI 530328838838GUIDE (2)39COVER-LINT HSG40SCREW (2)41WCI 320501542WCI 530320845444WCI 0801080446WCI 0800154447WCI 320501648WCI 320501750WCI 3205018