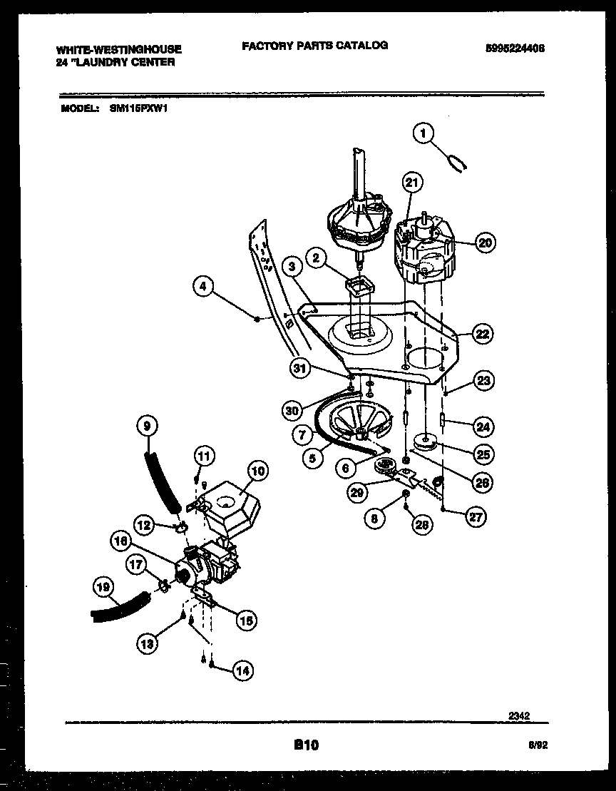
SM115PXW1 06 – WASHER DRIVE SYSTEM AND PUMPadmin2025-04-26T10:23:22+00:00SM115PXW1 06 – WASHER DRIVE SYSTEM AND PUMP ProductsPositionProduct*63665SPRING WASHER*63665CLAMP*636655304527822 Frigidaire Pulley15303161300 Frigidaire Strap2WCI 53770091003WCI 31612114WCI 31612125WCI 530320595165303270023 Frigidaire Screw Set75303280326 Frigidaire Drive Belt Assembly8WCI 080275359WCI 530328305510WCI 530328307112WCI 5303283073135303283072 Frigidaire Shield Screw14WCI 320502015WCI 530328307416WCI 530328513517WCI 530328307619WCI 530328307820WCI 530801550221WCI 530801488822WCI 0800247223HEX NUT24WCI 530316130325WCI 530800668626WCI 530320686927WCI 530800245628WCI 530328308029WCI 530393700130SCREW (2)31RUBBER SPACER (2)