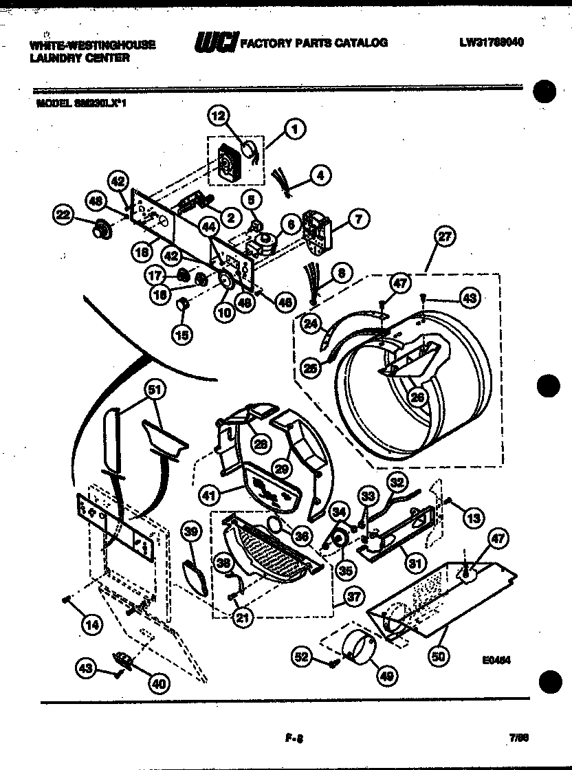
SM230LXD1 03 – CONSOLE, CONTROL AND DRUMadmin2025-04-26T10:23:17+00:00SM230LXD1 03 – CONSOLE, CONTROL AND DRUM ProductsPositionProduct*12539SHIELD-TMR-WSHR*12539WCI 3004951*12539RESISTOR1WCI 30179362WCI 30178934WCI 30179375WCI 30178956WCI 30178967WCI 30178978WCI 301645210WCI 301789812MOTOR-TIMER-DRYER13WCI F13602900014SCREW (8)15WCI 301789916WCI F14149100017WCI F14148900018TRIM PLATE22WCI F14149710024WCI F1360090025WCI F13600700025WCI F13600800026WCI F13600510027WCI 300420028WCI F13694900029WCI F13694800031WCI 301790231WCI 301790132WCI F13607300033WCI F13607500034WCI F13607400035WCI F13617500036WCI F13624000037WCI F14058300038WCI F13604600039WCI F13692000040WCI 301645841WCI F13604700042WCI F13502100043131205100 Frigidaire Screw43WCI F13695100046WCI F06079600048WCI Q00019908149WCI 301645950WCI 301646051INSULATION FRONT PANEL TOP51INSULATION FRONT PANEL LH52131168200 Frigidaire Dryer Screw