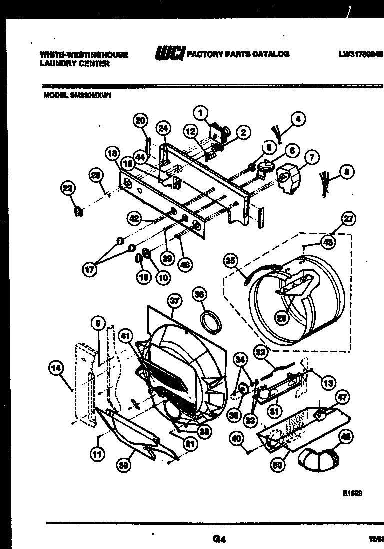
SM230MXD1 03 – CONSOLE, CONTROL AND DRUMadmin2025-04-26T10:22:29+00:00SM230MXD1 03 – CONSOLE, CONTROL AND DRUM ProductsPositionProduct*25616WCI F065111-001*25616WCI 31811101WCI 32059442WCI F135006-1004WCI 32059455WCI F144068-0006WCI 32059467WCI 30178978WCI 320499810WCI 320499912WCI 320500013WCI 0801128014WCI 0800654915WCI 320594717WCI 320594818PANEL - CONTROL20WCI 320500621216858001 Frigidaire Refrigerator Screw22KNOB & DIAL ASSY24WCI 320500825WCI 320500926BAFFLE-DRUM (3)27WCI 320501031ABRACKET-DRUM ROLLER LH31BRACKET-DRUM ROLLER RH32WCI 0800407633SNAP RING (4)34WCI 316125635WCI 0800407736WCI 320501137WCI 320501238GUIDE (2)39COVER-LINT HSG40SCREW (2)41WCI 320501542WCI 316125943131205100 Frigidaire Screw44WCI 0801080446WCI 0800154447WCI 320501648WCI 320501750WCI 3205018