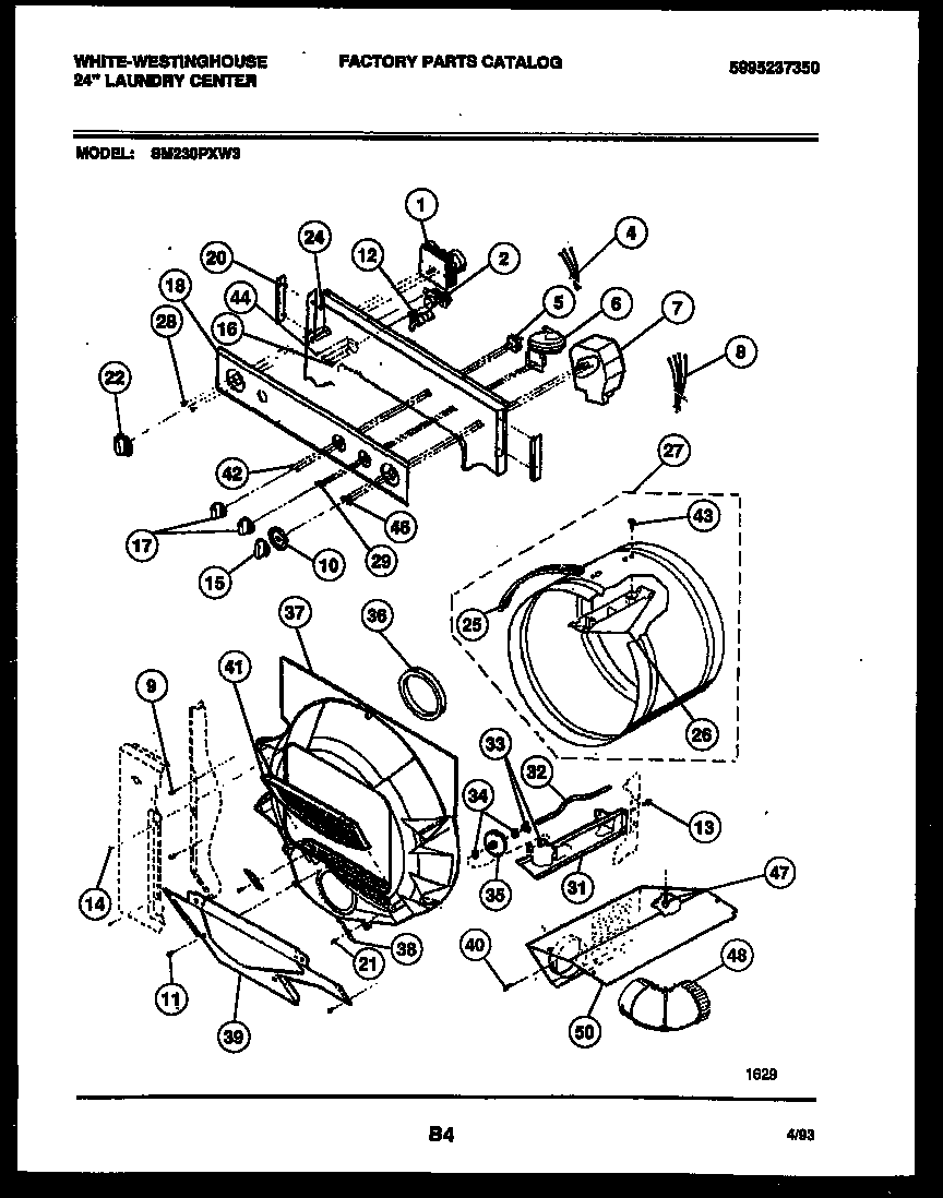
SM230PXD3 03 – CONSOLE, CONTROL AND DRUMadmin2025-04-26T10:22:42+00:00SM230PXD3 03 – CONSOLE, CONTROL AND DRUM ProductsPositionProduct*74619REGISTER*74619WCI 5303208455*746195303303590 Frigidaire Dryer 4.0" Cable Tie*74619WCI 08008454*74618RESISTOR*74619Spacer,washer ,timer shaft1WCI 32059442WCI 53032097654WCI 53032830435WCI 53030178956WCI 1310654007WCI 53032895948WCI 13102700010WCI 320499911131205100 Frigidaire Screw12WCI 320500013WCI 0801128014WCI 530328546715WCI 320594717WCI 320594818PANEL - CONTROL20WCI 320500622KNOB & DIAL ASSY24WCI 320500825WCI 530328641826BAFFLE-DRUM (3)27WCI 320501031WCI 301790131AWCI 301790232WCI 530800407634WCI 0801215235SNAP RING (4)36WCI 530320944537WCI 530328838838GUIDE (2)39COVER-LINT HSG40SCREW (2)41WCI 320501542WCI 530320845444WCI 0801080446WCI 0800154447WCI 320501648WCI 320501750WCI 3016460