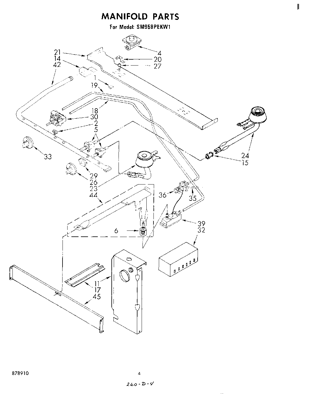
| 1 | Clip, Top Ignitor (2) |
| 2 | Fitting, Flange |
| 4 | Regulator, Pressure |
| 5 | Valve, Top Burner (4) |
| 6 | Shutter, Oven Burner Air |
| 11 | Bracket, Wire |
| 14 | Support, Inlet Pipe |
| 15 | Cap, Top Burner Air Mixer |
| 17 | Raceway Wire |
| 18 | Tubing, Control/Pilot |
| 19 | Tubing, Oven |
| 20 | Target, Top Ignitor (2) |
| 21 | Hanger, Top Burner |
| 23 | Burner, Top Front (2) (Includes Illus. 16) |
| 24 | Burner, Top Rear (2) (Includes Illus. 16) |
| 26 | Handle, Top Valve (4) |
| 27 | Ignitor, Top Burner (Left Side) |
| 27 | Ignitor, Top Burner (Right Side) |
| 29 | Switch, Top Ignitor (4) |
| 30 | Control, Oven |
| 32 | Control, Ignitor |
| 33 | Dial, Oven Control |
| 35 | Ignitor, Oven Burner |
| 36 | Lighter, Oven Burner |
| 39 | Valve, Oven Light Safety |
| 42 | Pipe, Manifold |
| 44 | Burner, Oven |
| 45 | Deflector, Heat |