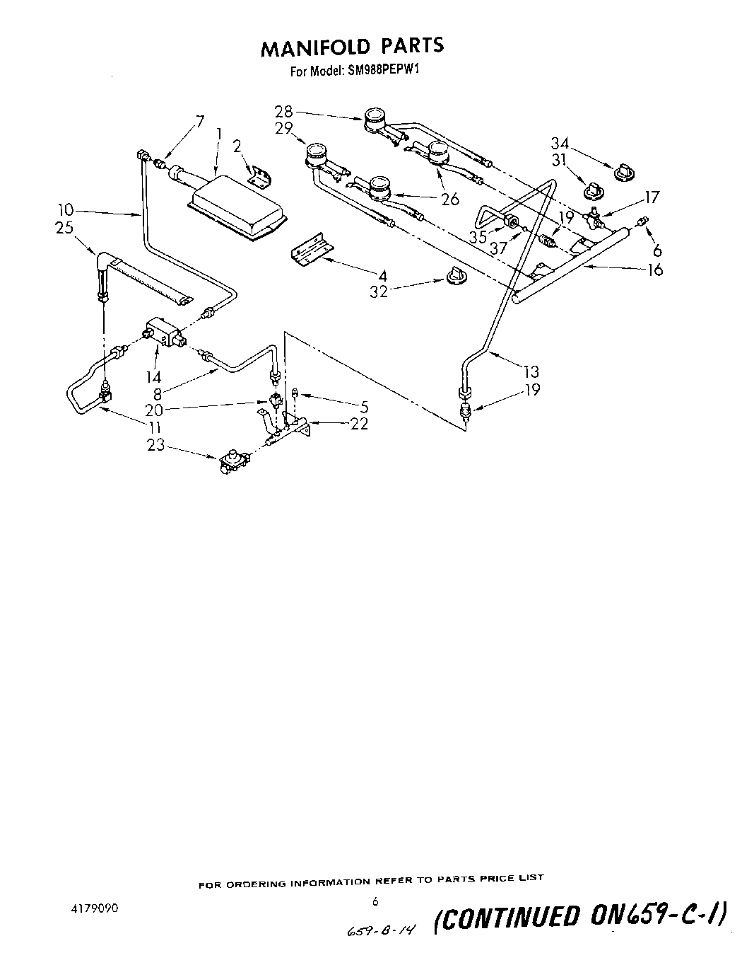
SM988PEPW1 04 – MANIFOLD