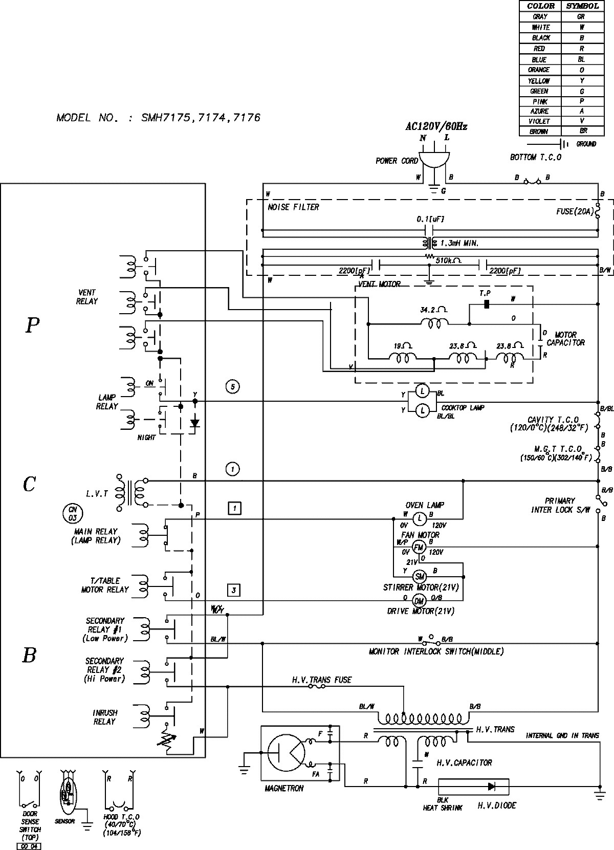
SMH7174BE 05 – WIRING INFORMATION SHEET 1admin2025-04-26T09:12:56+00:00SMH7174BE 05 – WIRING INFORMATION SHEET 1 ProductsPositionProduct1MAY 15003924