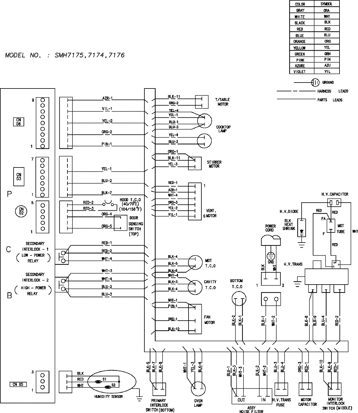
SMH7174BE 06 – WIRING INFORMATION SHEET 2admin2025-04-26T09:13:32+00:00SMH7174BE 06 – WIRING INFORMATION SHEET 2 ProductsPositionProduct1MAY 15003925