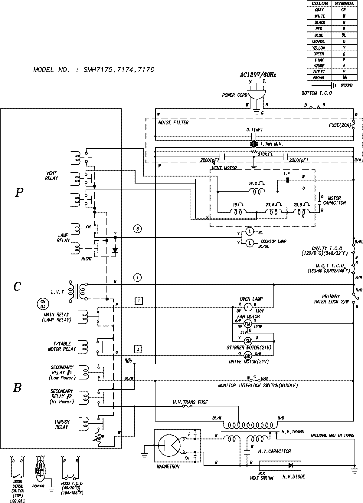
SMH7174WE 05 – WIRING INFORMATION SHEET 1admin2025-04-26T09:13:19+00:00SMH7174WE 05 – WIRING INFORMATION SHEET 1 ProductsPositionProduct1MAY 15003924