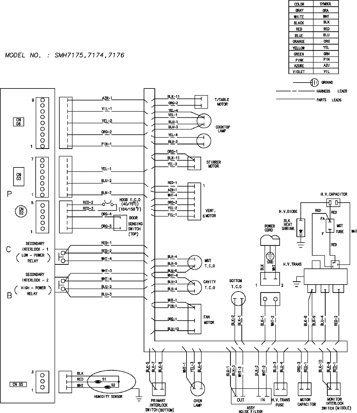
SMH7174WE 06 – WIRING INFORMATION SHEET 2admin2025-04-26T09:15:12+00:00SMH7174WE 06 – WIRING INFORMATION SHEET 2 ProductsPositionProduct1MAY 15003925